MT-E20,电涌保护器(非标)

.
一、产品概述:
MT-E20电涌保护器(以下简称E20)适用于交流50/60Hz,额定电压380V的IT、TT、TN-C、TN-S、TN-C-S等供电系统,对间接雷电和直接雷电影响或其他瞬时过电压的电涌进行保护。依据IEC61643-1:1998-02标准。
二、产品结构:
E20为一端口,防触电保护,户内式固定安装,电压限制型。
E20内置脱离器,当E20因过热击穿失效时,脱离器能自动地将其从电网上脱离,同时给出指示信号。E20正常工作时可视窗显示绿色,失效脱离后显示红色。
IP+N,2P+N,3P+N的由1P、2P、3P的E20+NPE零地保护模块组成,应用于TN-S、TN-C-S等供电系统。
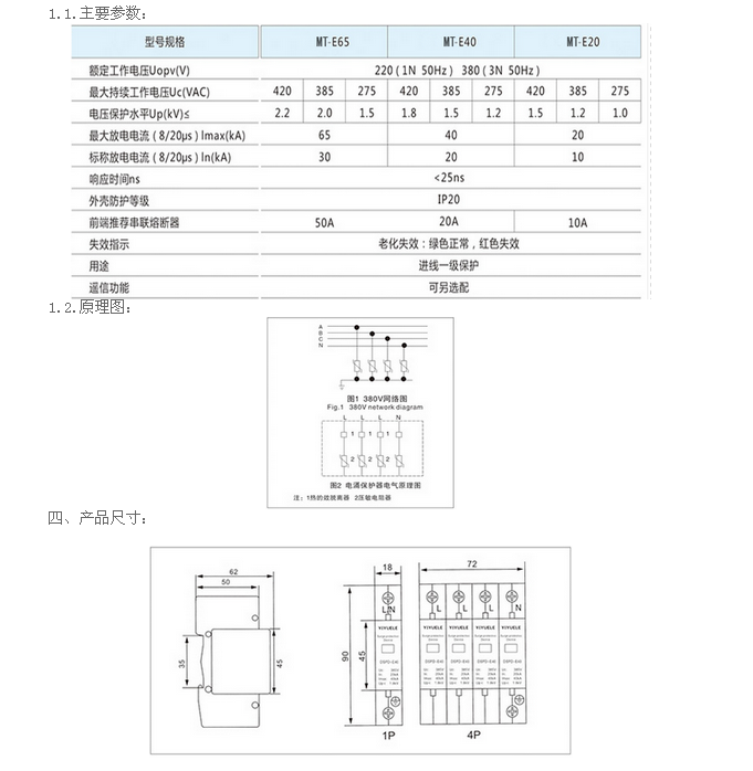
三、产品参数及原理图:

MT-E20


