性能参数
测量介质 |
气体、液体、油等与316L兼容的介质 |
测量形式及范围 |
表压(G)---最大(0~60)MPa, 最小(0~10)KPa |
绝压(A)---最大(0~60)MPa, 最小 (0~10)KPa |
|
负压(B)--- (-0.1~60)MPa, 最小(-5~5 )KPa |
|
精度等级: |
0.25%、 0.5% |
过载能力: |
量程的2~5倍 |
长期稳定性: |
小于0.3%FS/年 |
供电电源: |
15~36 VDC(标定电压24VDC) |
输出信号: |
(4~20)mA(二/三线制)、(0~10/20)mA |
显示方式: |
指针表头或LCD液晶显示可选配 |
校准: |
通过调节精密电位器实现对零点、量程调节 |
工作温度 |
液体介质:(-20~200)℃ |
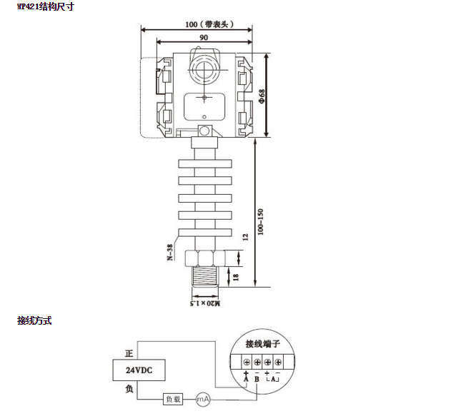
过程连接: |
M20×1.5外螺纹或用户注明 |
隔离膜片材料: |
316L 不锈钢 |
传感器接口材料: |
1Cr18Ni9Ti |
外壳材料: |
合金铝 |
防护等级 |
IP65 |

