多路巡检仪各通道可同时输入不同的分度号,采用最新无跳线技术,只需设定仪表内部参数,即可将仪表从一种输入信号改为另一种输入信号。
可选择各输入通道统一报警控制输出(或统一变送输出)或各输入通道分别报警控制输出(或分别变送输出)。各通 道统一报警控制输出可选择报警带记忆(任一通道报警未解除将一直报警直至所有通道均无报警)或报警无记忆(巡回至有报警通道时输出报警,巡回至无报警的通道时则不报警)。
巡检仪可带串行通信输出,与各种带串行输入/输出的设备进行双向通信,组成网络控制系统。





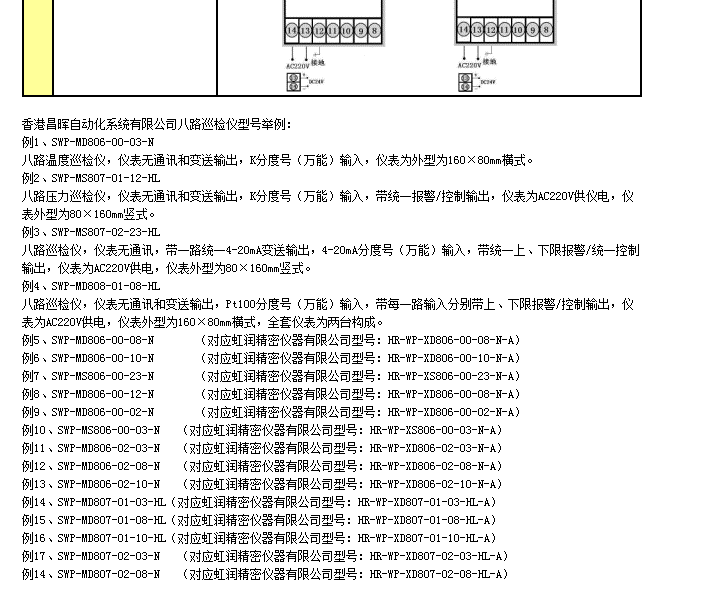
SWP-MS806,SWP-MS807,SWP-MS808
SWP-MD806-00-03-N,SWP-MS807-01-12-HL,SWP-MS807-02-23-HL,
SWP-MD808-01-08-HL,SWP-MD806-00-08-N,SWP-MD806-00-10-N
SWP-MS806-00-23-N,SWP-MD806-00-12-N,SWP-MD806-00-02-N
SWP-MS806-00-03-N,SWP-MD806-02-03-N,SWP-MD806-02-08-N
SWP-MD806-02-10-N,SWP-MD807-01-03-HL,SWP-MD807-01-08-HL
SWP-MD807-01-10-HL,SWP-MD807-02-03-N,SWP-MD807-02-08-N