

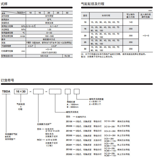
TBDA10*10,TBDA10*20,TBDA10*30,TBDA10*40,TBDA10*50,TBDA10*60,TBDA10*70,TBDA16*10,TBDA16*20,TBDA16*30,TBDA16*40 TBDA16*50,TBDA16*60,TBDA16*70,TBDA16*80,TBDA16*90,TBDA16*100,TBDA20*10,TBDA20*20,TBDA20*30,TBDA20*40,TBDA20*50 TBDA20*60,TBDA20*70,TBDA20*80,TBDA20*90,TBDA20*100,TBDA25*10,TBDA25*20,TBDA25*30,TBDA25*40,TBDA25*50,TBDA25*60 TBDA25*70,TBDA25*80,TBDA25*90,TBDA25*100,TBDA32*10,TBDA32*20,TBDA32*30,TBDA32*40,TBDA32*50,TBDA32*60,TBDA32*70 TBDA32*80,TBDA32*90,TBDA32*100


