欢迎访问昌林自动化官方网站!
九州娱乐ts111下载
 

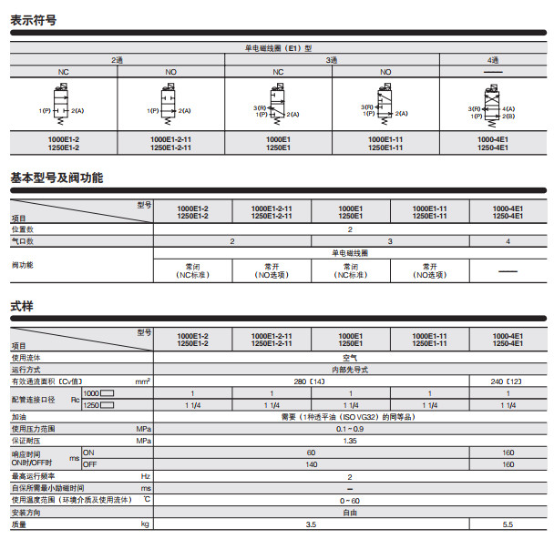
1000E1,1000E1-2,1000E1-2-11,1000E1-2-11-81,1000E1-2-81,1000E1-11,电磁阀圆形1000系列

点击图片查看原图
 
型号: 1000E1,1000E1-2,1000E1-2-11,1000E1-2-11-81,1000E1-2-81,1000E1-11,1000E1-11-81,1000E1-81,1000-4E1,100
PDF下载: 如需产品详细说明请与销售客服联系
浏览次数: 366
询价
 
公司基本资料信息
详细说明

1000E1,1000E1-2,1000E1-2-11,1000E1-2-11-81,1000E1-2-81,1000E1-11,1000E1-11-81,1000E1-81,1000-4E1,1000-4E1-81

更多>本企业其它产品
0相关评论