产品特征:
| PFYS | -10 | -4 | -N |
| (1) | (2) | (3) | |
| (1)吸盘直径(mm) | (2)行程mm | (3)吸盘材料 | |||||
| 2 | 35 | 2.5 | 15 | N | 丁腈橡胶 | ||
| 3.5 | 40 | 3 | 20 | S | 硅胶 | ||
| 5 | 50 | 4 | 25 | NE | 导电性丁腈橡胶 | ||
| 6 | 60 | 5 | 30 | SE | 导电性硅胶 | ||
| 8 | 80 | 6 | 50 | ||||
| 10 | 95 | 10 | 70 | ||||
| 15 | 100 | ||||||
| 20 | 120 | ||||||
| 25 | 150 | ||||||
| 30 | 200 | ||||||
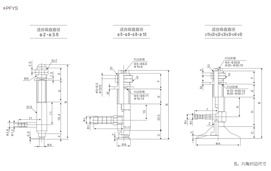
产品外形尺寸:
| 型号 | A | B | C | D | E | F | G | J | K | S | M | Y | Z |
| PFYS-2-2.5 | 2 | 35.7 | - | - | 4.5 | - | - | - | - | - | - | - | - |
| PFYS-2-5 | 2 | 40.7 | - | - | 9.5 | - | - | - | - | - | - | - | - |
| PFYS-3.5-2.5 | 3.5 | 35.7 | - | - | 4.5 | - | - | - | - | - | - | - | - |
| PFYS-3.5-5 | 3.5 | 40.7 | - | - | 9.5 | - | - | - | - | - | - | - | - |
| PFYS-5-3 | 5 | 51 | 6.5 | - | 6 | 13 | M9*P1 | - | - | 12H | 2 | 0.8 | - |
| PFYS-5-10 | 5 | 65 | 6.5 | - | 20 | 13 | M9*P1 | - | - | 12H | 2 | 0.8 | - |
| PFYS-5-15 | 5 | 75 | 6.5 | - | 30 | 13 | M9*P1 | - | - | 12H | 2 | 0.8 | - |
| PFYS-5-25 | 5 | 95 | 6.5 | - | 50 | 13 | M9*P1 | - | - | 12H | 2 | 0.8 | - |
| PFYS-6-3 | 6 | 51 | 6.5 | - | 6 | 13 | M9*P1 | - | - | 12H | 2 | 0.8 | - |
| PFYS-6-10 | 6 | 65 | 6.5 | - | 20 | 13 | M9*P1 | - | - | 12H | 2 | 0.8 | - |
| PFYS-6-15 | 6 | 75 | 6.5 | - | 30 | 13 | M9*P1 | - | - | 12H | 2 | 0.8 | - |
| PFYS-6-25 | 6 | 95 | 6.5 | - | 50 | 13 | M9*P1 | - | - | 12H | 2 | 0.8 | - |
| PFYS-8-3 | 8 | 51.5 | 7 | - | 6 | 13 | M9*P1 | - | - | 12H | 2 | 0.8 | - |
| PFYS-8-10 | 8 | 65.5 | 7 | - | 20 | 13 | M9*P1 | - | - | 12H | 2 | 0.8 | - |
| PFYS-8-15 | 8 | 75.5 | 7 | - | 30 | 13 | M9*P1 | - | - | 12H | 2 | 0.8 | - |
| PFYS-8-25 | 8 | 95.5 | 7 | - | 50 | 13 | M9*P1 | - | - | 12H | 2 | 0.8 | - |
| PFYS-10-4 | 10 | 60 | 7.5 | - | 8 | 19 | M11*P1 | - | - | 14H | 3 | 1.5 | - |
| PFYS-10-10 | 10 | 72 | 7.5 | - | 20 | 19 | M11*P1 | - | - | 14H | 3 | 1.5 | - |
| PFYS-10-20 | 10 | 82 | 7.5 | - | 40 | 19 | M11*P1 | - | - | 14H | 3 | 1.5 | - |
| PFYS-10-30 | 10 | 112 | 7.5 | - | 60 | 19 | M11*P1 | - | - | 14H | 3 | 1.5 | - |


PFYS-2-2.5,PFYS-2-5,PFYS-3.5-2.5,PFYS-3.5-5,PFYS-5-3,PFYS-5-10,PFYS-5-15,PFYS-5-25,PFYS-6-3,PFYS-6-10,PFYS-6-15 PFYS-6-25,PFYS-8-3,PFYS-8-10,PFYS-8-15,PFYS-8-25,PFYS-10-4,PFYS-10-10,PFYS-10-20,PFYS-10-30,PFYS-15-4,PFYS-15-10 PFYS-15-20,PFYS-15-30,PFYS-20-4,PFYS-20-10,PFYS-20-20,PFYS-20-30,PFYS-25-6,PFYS-25-15,PFYS-25-30,PFYS-25-50 PFYS-30-6,PFYS-30-15,PFYS-30-30,PFYS-30-50,PFYS-35-6,PFYS-35-15,PFYS-35-30,PFYS-35-50,PFYS-40-6,PFYS-40-15 PFYS-40-30,PFYS-40-50,PFYS-50-6,PFYS-50-15,PFYS-50-30,PFYS-50-50,PFYS-60-10,PFYS-60-30,PFYS-60-50,PFYS-60-70 PFYS-80-10,PFYS-80-30,PFYS-80-50,PFYS-80-70,PFYS-95-10,PFYS-95-30,PFYS-95-50,PFYS-95-70,PFYS-100-15,PFYS-100-30 PFYS-100-50,PFYS-100-70,PFYS-120-20,PFYS-120-100


