产品特征:
| PJYS | -6 | -3 | -N |
| (1) | (2) | (3) | |
| (1)吸盘直径(mm) | (2)行程mm | (3)吸盘材料 | |||||
| 6 | 35 | 3 | 20 | N | 丁腈橡胶 | ||
| 8 | 40 | 4 | 25 | S | 硅胶 | ||
| 10 | 50 | 6 | 30 | NE | 导电性丁腈橡胶 | ||
| 15 | 60 | 10 | 50 | SE | 导电性硅胶 | ||
| 20 | 80 | 15 | |||||
| 25 | |||||||
| 30 | |||||||
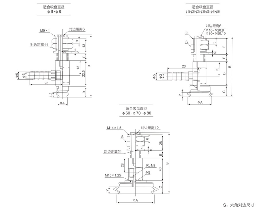
产品外形尺寸:


PJYS-6-3,PJYS-6-10,PJYS-6-15,PJYS-6-25,PJYS-8-3,PJYS-8-10,PJYS-8-15,PJYS-8-25,PJYS-10-4,PJYS-10-10,PJYS-10-20 PJYS-10-30,PJYS-15-4,PJYS-15-10,PJYS-15-20,PJYS-15-30,PJYS-20-4,PJYS-20-10,PJYS-20-20,PJYS-20-30,PJYS-30-6 PJYS-30-15,PJYS-30-30,PJYS-30-50,PJYS-40-6,PJYS-40-15,PJYS-40-30,PJYS-40-50,PJYS-50-6,PJYS-50-15,PJYS-50-30 PJYS-50-50,PJYS-60-10,PJYS-60-30,PJYS-60-50,PJYS-60-70,PJYS-70-10,PJYS-70-30,PJYS-70-50,PJYS-70-70,PJYS-80-10 PJYS-80-30,PJYS-80-50,PJYS-80-70


