产品特征:
| PJTS | -6 | -3 | -N |
| (1) | (2) | (3) | |
| (1)吸盘直径(mm) | (2)行程mm | (3)吸盘材料 | |||||
| 6 | 35 | 3 | 20 | N | 丁腈橡胶 | ||
| 8 | 40 | 4 | 25 | S | 硅胶 | ||
| 10 | 50 | 6 | 30 | NE | 导电性丁腈橡胶 | ||
| 15 | 60 | 10 | 50 | SE | 导电性硅胶 | ||
| 20 | 80 | 15 | |||||
| 25 | |||||||
| 30 | |||||||
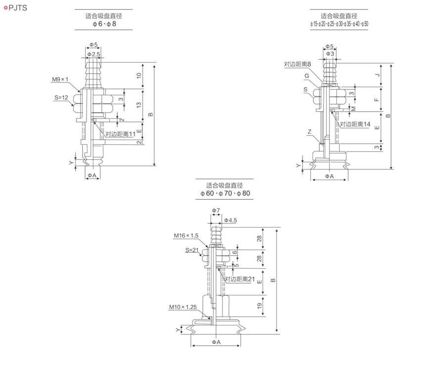
产品外形尺寸:


PJTS-6-3,PJTS-6-10,PJTS-6-15,PJTS-6-25,PJTS-8-3,PJTS-8-10,PJTS-8-15,PJTS-8-25,PJTS-10-4,PJTS-10-10,PJTS-10-20 PJTS-10-30,PJTS-15-4,PJTS-15-10,PJTS-15-20,PJTS-15-30,PJTS-20-4,PJTS-20-10,PJTS-20-20,PJTS-20-30,PJTS-30-6 PJTS-30-15,PJTS-30-30,PJTS-30-50,PJTS-40-6,PJTS-40-15,PJTS-40-30,PJTS-40-50,PJTS-50-6,PJTS-50-15,PJTS-50-30 PJTS-50-50,PJTS-60-10,PJTS-60-30,PJTS-60-50,PJTS-60-70,PJTS-70-10,PJTS-70-30,PJTS-70-50,PJTS-70-70,PJTS-80-10 PJTS-80-30,PJTS-80-50,PJTS-80-70


