手机版
二维码
欢迎访问昌林自动化官方网站!
了解产品
品牌站
搜索
首页
了解产品
资讯动态
品牌站
下载中心
首页
>
了解产品
>
仪器仪表 自动化
>
压力与隔离及控制
>
信号分配器
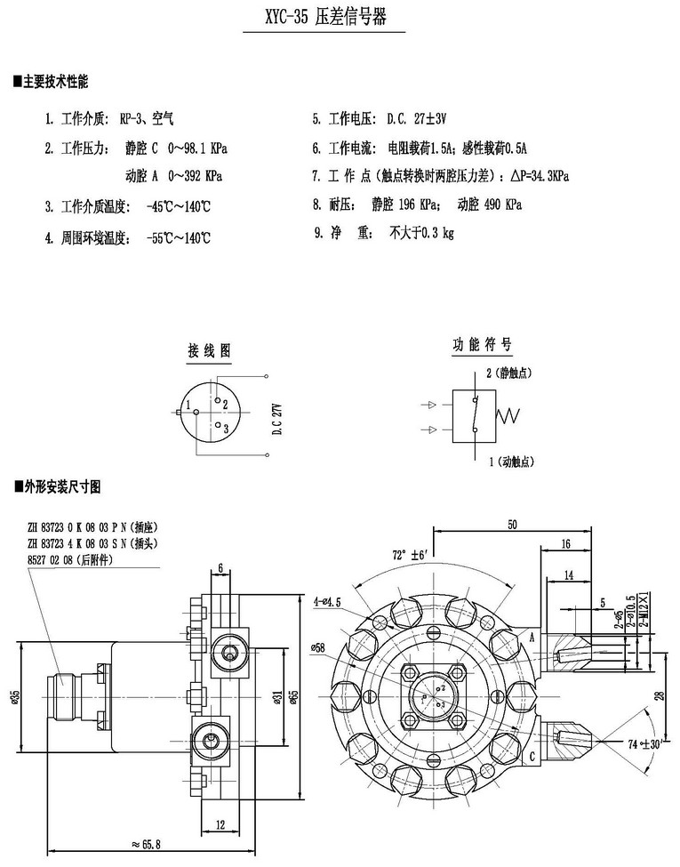
XYC-35,压差信号器
点击图片查看原图
型号:
XYC-35
PDF下载:
如需产品详细说明请与销售客服联系
浏览次数:
2022
公司基本资料信息
联系人
销售员 1572(先生)
电话
13861877712
地区
江苏-无锡市
地址
无锡市会北路28-135
详细说明
XYC-35,压差信号器
更多
>
本企业其它产品
WYF-3B,单向阀
FYZ-78,气控换向阀
WYZ-68,多路阀
110000,120000,211000
FYZ-42,三路阀
WYZ-81,多路阀
WYZ-71,多路阀
WYZ-28,单路阀
0
条
相关评论