CBTDH-F16,CBTDH-F18,CBTDH-F20,单联齿轮油泵,生产厂家,价格
CBTDH-F系列齿轮油泵壳体采用高强度铝合金材料,内部结构使用了轴向间隙浮动补偿、径向平衡、DU自润滑等多项先进技术。它具有容积效率高、压力高、噪音低、抗振性强、寿命长等特点。广泛应用于叉车、装载机、挖掘机、起重机、压路机等工程机械及矿山、轻工、环卫、农机等行业。型号说明
① 产品代号
② 压力等级 F:20MPa
③ 公称排量 (mL/r)
④ 安装形式 A: 菱形法兰
⑤ 油口形式 L: 螺纹联接
⑥ 轴伸形式 H: 矩形花键
⑦ 旋 向 L: 左旋 (逆时针) R:右旋 (顺时针)(省略)
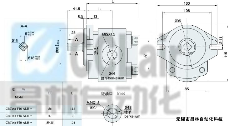
外形图

性能参数



