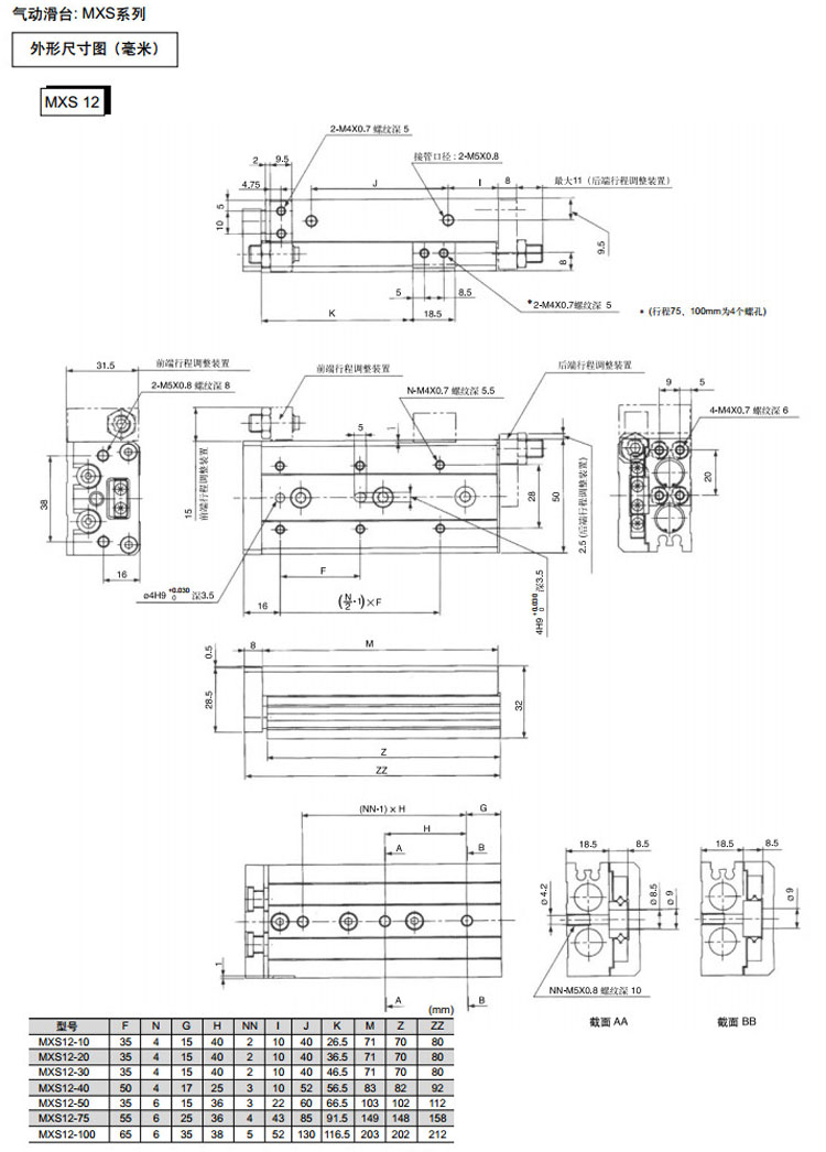
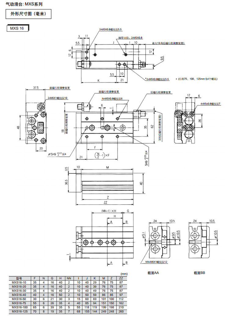
MXS6-10,MXS8-10,MXS12-10,MXS16-10,MXS20-10,MXS25-10,MXS6-20,MXS8-20,MXS12-20,SMC气动滑台气缸








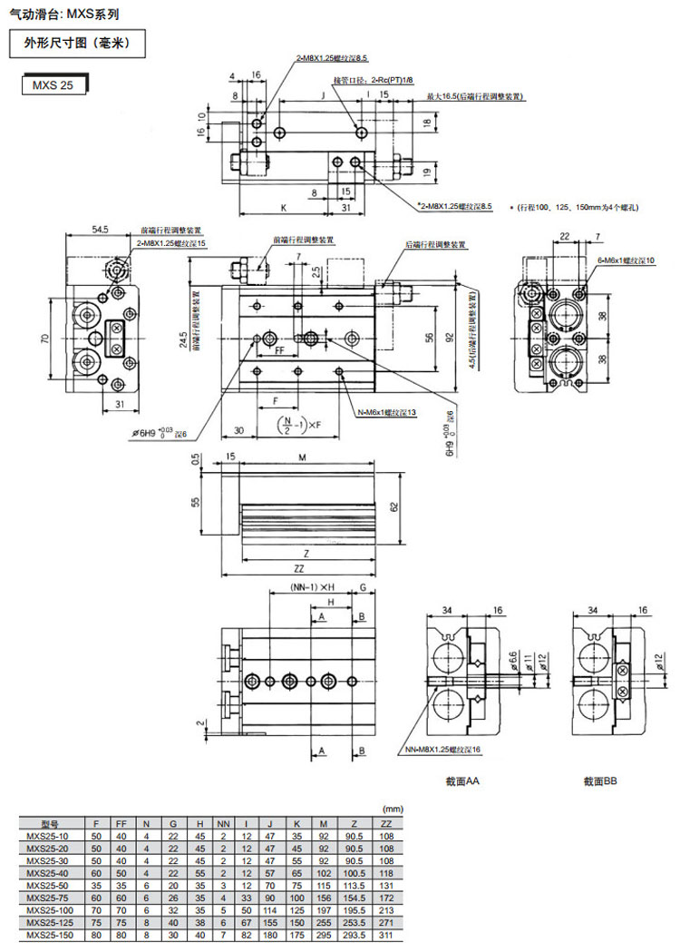
MXS12-100,MXS16-20,MXS16-30,MXS16-40,MXS16-50,MXS16-75,MXS16-100,MXS16-125,MXS20-20,MXS20-30,
MXS20-40,MXS20-50,MXS20-75,MXS20-100,MXS20-125,MXS20-150,MXS25-20,MXS25-30,MXS25-40,MXS25-50,
MXS25-75,MXS25-100,MXS25-125,MXS25-150,


