手机版
二维码
欢迎访问昌林自动化官方网站!
了解产品
品牌站
搜索
首页
了解产品
资讯动态
品牌站
下载中心
首页
>
了解产品
>
执行元件 液压缸
>
执行元件/气缸
>
双杆气缸
QGBE-K-32,QGBE-K-40,QGBE-K-50,QGBE-K-63,QGBE-K-80,双活塞杆气缸
点击图片查看原图
型号:
QGBE-K-32,QGBE-K-40,QGBE-K-50,QGBE-K-63,QGBE-K-80
PDF下载:
如需产品详细说明请与销售客服联系
浏览次数:
363
公司基本资料信息
联系人
销售员 1589(先生)
电话
13861877712
地区
江苏-无锡市
地址
无锡市会北路28-135
详细说明
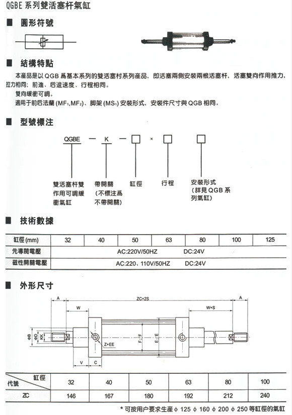
QGBE-K-32,QGBE-K-40,QGBE-K-50,QGBE-K-63,QGBE-K-80,双活塞杆气缸
QGBE-K-100,QGBE-K-125,
更多
>
本企业其它产品
JD4K-V,JD4K-P,JD6K-V
FB2C-R,FB2C-V,FB2E-P
JB2B-R-AC24,JB2C-V,J
FA1B,FA1C,FA1D,FA1E,
JA1A,JA1B,JA1C,JA1D,
JA1A,JA1B,JA1C,JA1D,
GC1-AC24,GC1-AC110,G
HA1B-R-AC24,HA1B-V-A
0
条
相关评论