手机版
二维码
欢迎访问昌林自动化官方网站!
了解产品
品牌站
搜索
首页
了解产品
资讯动态
品牌站
下载中心
首页
>
了解产品
>
液压辅助元件
>
液压过滤器及装置
>
滤芯
E0850R003KNB3P,E1300R003KNB3P,E1700R003KNB3P,E2600R003KNB3P,E0850R020KNB3P,过滤器滤芯
点击图片查看原图
型号:
E0850R003KNB3P,E1300R003KNB3P,E1700R003KNB3P,E2600R003KNB3P,E0850R020KNB3P,过滤器滤芯
PDF下载:
如需产品详细说明请与销售客服联系
浏览次数:
534
公司基本资料信息
联系人
销售员1619(女士)
邮件
4006770998@b.qq.com
电话
0510-82324771
地区
江苏-无锡市
地址
无锡市会北路28-135
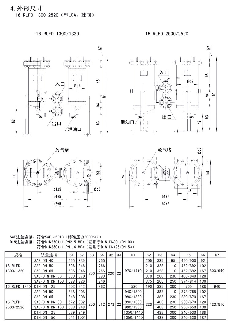
详细说明
E0850R003KNB3P,E1300R003KNB3P,E1700R003KNB3P,E2600R003KNB3P,E0850R020KNB3P,过滤器滤芯
E0850R003KNB3P,E0850R005KNB3P,E0850R010KNB3P,E1300R005KNB3P,E1300R010KNB3P,E1300R020KNB3P,
E1700R005KNB3P,
E1700R010KNB3P,E1700R020KNB3P,E2600R005KNB3P,E2600R010KNB3P,E2600R020KNB3P,
更多
>
本企业其它产品
FSLQ-08,FSLQ-12,FSLQ
E0030D003KHP,E0030D0
16RLD330,16RLD400,16
25RL30,25RL60,25RL11
E0160S,E0240S,E0330S
SU16,SU25,SU40,SU63,
SL160,SL240,SL330,SL
10SR100KN10,10SR100K
0
条
相关评论