手机版
二维码
欢迎访问昌林自动化官方网站!
了解产品
品牌站
搜索
首页
了解产品
资讯动态
品牌站
下载中心
首页
>
了解产品
>
气动辅助元件
>
接头类
>
气动接头
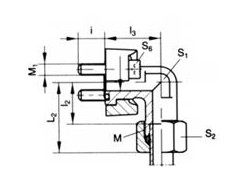
WFS32/15LA3C,WFS33/18LA3C,WFS34/28LA3C,WFS35/25S/10A3C,WFS36/42LA3C,法兰式直角接头
点击图片查看原图
型号:
WFS32/15LA3C,WFS33/18LA3C,WFS34/28LA3C,WFS35/25S/10A3C,WFS36/42LA3C,法兰式直角接头
PDF下载:
如需产品详细说明请与销售客服联系
浏览次数:
319
公司基本资料信息
联系人
销售员 1625(先生)
电话
13861877712
地区
江苏-无锡市
地址
无锡市会北路28-135
详细说明
WFS32/15LA3C,WFS33/18LA3C,WFS34/28LA3C,WFS35/25S/10A3C,WFS36/42LA3C,法兰式直角接头
WFS32/16SA3C,WFS33/22LA3C,WFS33/20SA3C,WFS33/25SA3C,WFS34/30SA3C,
WFS35/35L/10A3C,WFS35/30S/10A3C,WFS35/38S/10A3C,WFS35/35L/10A3C,
WFS35/25S/10A3C,WFS35/30S/10A3C,WFS35/38S/10A3C,WFS36/38SA3C,
更多
>
本企业其它产品
HDB-M,HDB-L,电动润滑
CBV-F304,CBV-F306,CB
1EA43-4-4,1EA43-6-4,
RHD06LA3C,RHD08LA3C,
G04LLA3C,G06LLA3C,G0
W04LLA3C,W06LLA3C,W0
T04LLA3C,T06LLA3C,T0
K04LLA3C,K06LLA3C,K0
0
条
相关评论