手机版
二维码
欢迎访问昌林自动化官方网站!
了解产品
品牌站
搜索
首页
了解产品
资讯动态
品牌站
下载中心
首页
>
了解产品
>
液压元件 液压阀
>
方向控制阀
>
手动换向阀
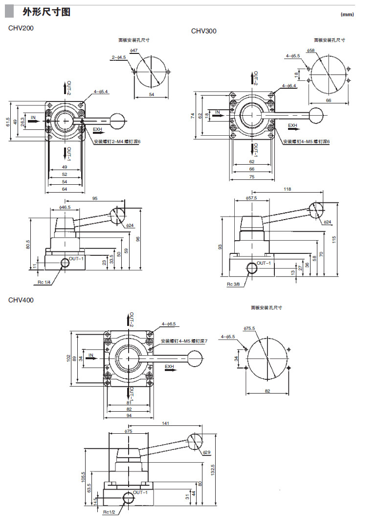
CHV200,CHV300,CHV400,4通手动阀
点击图片查看原图
型号:
CHV200,CHV300,CHV400
PDF下载:
如需产品详细说明请与销售客服联系
浏览次数:
577
公司基本资料信息
联系人
销售员 1620(先生)
电话
13861877712
地区
江苏-无锡市
地址
无锡市会北路28-135
详细说明
CHV200,CHV300,CHV400,4通手动阀
更多
>
本企业其它产品
SC1-S-7S-10-N-W-S-1,
SC1-S-X,SC1-S-B,SC1-
SC2-S-04HS,SC2-S-05H
MC22-S-05,MC22-S-07,
MC32-S-05,MC32-S-07,
MC42-S-05-H-S-V9-S-4
MC52-M-05-H-S-V8-S-4
MC72-S-15,MC72-S-20,
0
条
相关评论