手机版
二维码
欢迎访问昌林自动化官方网站!
了解产品
品牌站
搜索
首页
了解产品
资讯动态
品牌站
下载中心
首页
>
了解产品
>
油泵 齿轮泵 组合泵
>
液压马达/气动马达
>
气动马达
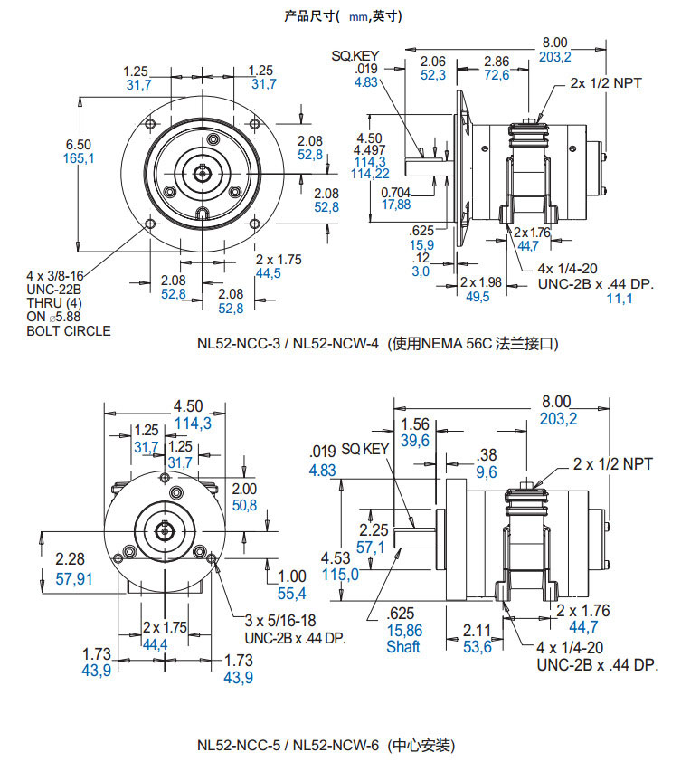
NL52-NCC-1,NL52-NCW-2,NL52-NCC-3,NL52-NCW-4,气动马达
点击图片查看原图
型号:
NL52-NCC-1,NL52-NCW-2,NL52-NCC-3,NL52-NCW-4,
PDF下载:
如需产品详细说明请与销售客服联系
浏览次数:
756
公司基本资料信息
联系人
销售员 1590(先生)
电话
13861877712
地区
江苏-无锡市
地址
无锡市会北路28-135
详细说明
更多
>
本企业其它产品
111A100F+⅓HP,
111A100F+½HP,黄
04-1A,04-1B,04-1C,04
12-1-A-0-1,12-1-A-2-
15-1-1-K-V-1-UU,15-1
20-103-1-1,20-103-1-
20-110-085-0,20-110-
20-123-1-1,20-123-2-
0
条
相关评论