DJB70-25,DJB100-25,DJB70-40,DJB100-40,DJB70-50,DJB140A-60,DJB,机床多级泵

DJB卧式多级泵
技术数据
|
型 号 |
流量 L/min |
扬程 m |
功率 W |
电流 A |
电压 V |
频率 Hz |
|
DJB70A-25 |
70 |
25 |
750 |
3.03/1.75 |
220/380 |
50 |
|
DJB70A-40 |
40 |
1100 |
4.33/2.50 |
|||
|
DJB70A-50 |
50 |
1100 |
4.33/2.50 |
|||
|
DJB140A-20 |
140 |
20 |
550 |
2.34/1.35 |
||
|
DJB140A-30 |
30 |
600 |
2.51/1.45 |
|||
|
DJB140A-40 |
40 |
750 |
3.03/1.75 |
|||
|
DJB140A-50 |
50 |
1100 |
4.33/2.50 |
|||
|
DJB140A-60 |
60 |
1100 |
4.33/2.50 |

|
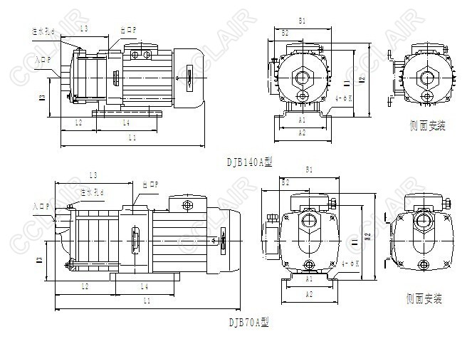
型 号 |
L1 |
L2 |
L3 |
L4 |
B1 |
B2 |
A1 |
A2 |
H1 |
H2 |
H3 |
d |
P |
|
DJB70A-25 |
384 |
94 |
134 |
136 |
142 |
125 |
108 |
130 |
172 |
215 |
90 |
ZG3/8″ |
G3/4″ |
|
DJB70A-40 |
407 |
117 |
157 |
||||||||||
|
DJB70A-50 |
430 |
140 |
180 |
||||||||||
|
DJB140A-20 |
323 |
83 |
110 |
138 |
130 |
110 |
155 |
200 |
ZG1/4″ |
G1″ |
|||
|
DJB140A-30 |
350 |
110 |
127 |
||||||||||
|
DJB140A-40 |
402 |
137 |
164 |
142 |
125 |
160 |
215 |
||||||
|
DJB140A-50 |
429 |
164 |
191 |
||||||||||
|
DJB140A-60 |
456 |
191 |
218 |
DJB70-25,DJB100-25,DJB70-40,DJB100-40,DJB70-50,DJB100-50,DJB70-60,DJB70-75,DJB70-90,DJB70-100,DJB70-115,DJB70-130,DJB,
DJB70A-25,DJB70A-40,DJB70A-50,DJB140A-20,DJB140A-30,DJB140A-40,DJB140A-50,DJB140A-60,


