手机版
二维码
欢迎访问昌林自动化官方网站!
了解产品
品牌站
搜索
首页
了解产品
资讯动态
品牌站
下载中心
首页
>
了解产品
>
液压元件 液压阀
>
压力控制阀
>
抗衡阀
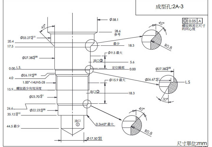
CB-2A-33-H-L,CB-2A-3A-I-L,CB-2A-3C-A-L,CB-2A-3Q-B-L,CB-2A-33-E-L,CB-2A-3A-H-C,winner抗衡閥
点击图片查看原图
型号:
CB-2A-33-H-L,CB-2A-3A-I-L,CB-2A-3C-A-L,CB-2A-3Q-B-L,CB-2A-33-E-L,CB-2A-3A-H-C