手机版
二维码
欢迎访问昌林自动化官方网站!
了解产品
品牌站
搜索
首页
了解产品
资讯动态
品牌站
下载中心
首页
>
了解产品
>
阀门 流体控制
>
通用阀门
>
调节阀
VSTVBT-PC-HP03-115A,VST22BT-PC-HP03-115A,VST23BT-PC-HP03-115A,VSTVBT-PC-HP03-230HA,DYNEX调节阀
点击图片查看原图
型号:
VSTVBT-PC-HP03-115A,VST22BT-PC-HP03-115A,VST23BT-PC-HP03-115A,VSTVBT-PC-HP03-230HA,DYNEX调节阀
PDF下载:
如需产品详细说明请与销售客服联系
浏览次数:
419
公司基本资料信息
联系人
销售员 1652(先生)
电话
13861877712
地区
江苏-无锡市
地址
无锡市会北路28-135
详细说明
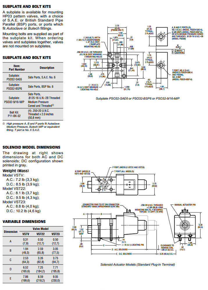
VSTVBT-PC-HP03-115A,VST22BT-PC-HP03-115A,VST23BT-PC-HP03-115A,VSTVBT-PC-HP03-230HA,DYNEX调节阀
VSTVBT-PC-HP03-12HD,VSTVBT-PC-HP03-24HD,VST22BT-PC-HP03-230HA,VST22BT-PC-HP03-12HD,
VST22BT-PC-HP03-24HD,VST23BT-PC-HP03-230HA,VST23BT-PC-HP03-12HD,VST23BT-PC-HP03-24HD,
更多
>
本企业其它产品
VFR20-6,VFR20-12,VFR
F-3-1/4,F-3-1/4-L,F-
F-4-1/4,F-4-1/4-L,F-
F-(3×2)-1/4,F-(3×2
V-3-1/8,R-3-1/8,L-3-
V-3-1/4,R-3-1/4,L-3-
V-4-1/4,R-4-1/4,L-4-
PV-252-S,PV-252-D,PV
0
条
相关评论