手机版
二维码
欢迎访问昌林自动化官方网站!
了解产品
品牌站
搜索
首页
了解产品
资讯动态
品牌站
下载中心
首页
>
了解产品
>
油泵 齿轮泵 组合泵
>
叶片泵及泵组
>
变量叶片泵
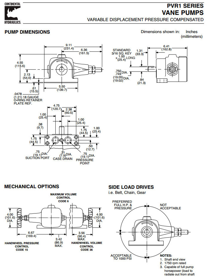
PVR1-4B10-RM,PVR1-4B15-RM,PVR1-6B03-RM,PVR1-6B06-RM,PVR1-8B03-RM,PVR1-8B06-RM,CONTINENTAL叶片式变量泵
点击图片查看原图
型号:
PVR1-4B10-RM,PVR1-4B15-RM,PVR1-6B03-RM,PVR1-6B06-RM,PVR1-8B03-RM,PVR1-8B06-RM,CONTINENTAL叶片式变量泵
PDF下载:
如需产品详细说明请与销售客服联系
浏览次数:
653
公司基本资料信息
联系人
销售员 1652(先生)
电话
13861877712
地区
江苏-无锡市
地址
无锡市会北路28-135
详细说明
PVR1-4B10-RM,PVR1-4B15-RM,PVR1-6B03-RM,PVR1-6B06-RM,PVR1-8B03-RM,PVR1-8B06-RM,CONTINENTAL叶片式变量泵
PVR1-6B10-RM,PVR1-8B10-RM,
更多
>
本企业其它产品
VFR20-6,VFR20-12,VFR
F-3-1/4,F-3-1/4-L,F-
F-4-1/4,F-4-1/4-L,F-
F-(3×2)-1/4,F-(3×2
V-3-1/8,R-3-1/8,L-3-
V-3-1/4,R-3-1/4,L-3-
V-4-1/4,R-4-1/4,L-4-
PV-252-S,PV-252-D,PV
0
条
相关评论