手机版
二维码
欢迎访问昌林自动化官方网站!
了解产品
品牌站
搜索
首页
了解产品
资讯动态
品牌站
下载中心
首页
>
了解产品
>
液压元件 液压阀
>
方向控制阀
>
电磁换向阀
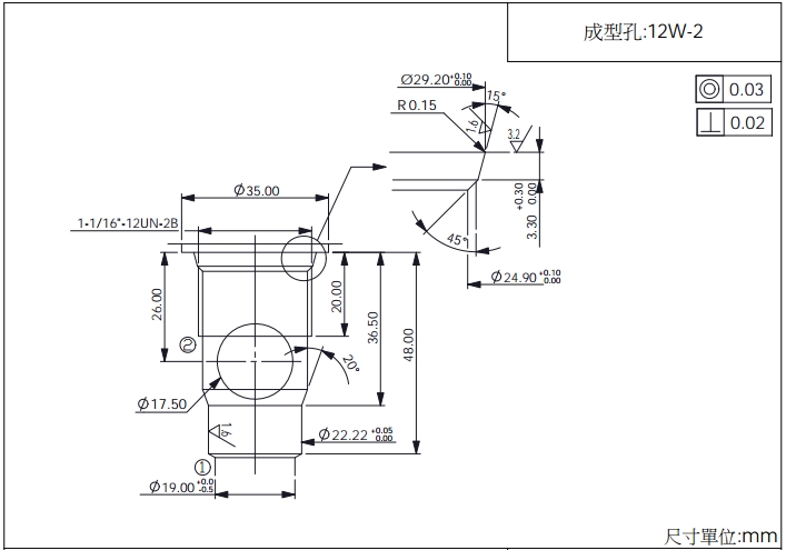
EP-12W-2A-06-N-05,EP-12W-2A-06-P-05,EP-12W-2A-06-T-05,winner提動軸型電磁方向閥
点击图片查看原图
型号:
EP-12W-2A-06-N-05,EP-12W-2A-06-P-05,EP-12W-2A-06-T-05,winner提動軸型電磁方向閥
PDF下载:
如需产品详细说明请与销售客服联系
浏览次数:
485
公司基本资料信息
联系人
销售员 1646(先生)
电话
13861877712
地区
江苏-无锡市
地址
无锡市会北路28-135
详细说明
EP-12W-2A-06-N-05,EP-12W-2A-06-P-05,EP-12W-2A-06-T-05,winner提動軸型電磁方向閥
更多
>
本企业其它产品
W85A,W85AB,W85BT,W85
6JAA004,6JAA005,6JAA
ED-30-D-10-D,winner
ED-30-R-01-A,winner
EC-19A-220-D-E-B,EC-
EC-19A-220-F-E-B,EC-
EC-19A-220-B-E-B,EC-
EC-19A-220-H-E-B,EC-
0
条
相关评论