产品特点:
大屏清晰的液晶显示屏:数据显示清晰快速,保证最快时间读取数据
一体化表头:20年专业表头生产商,内部采用SMT表面贴装技术,组装密度高
采用进口优质电路板,抗干扰性强,确保测量的准确度,经久耐用
高精度的探头,采用304不锈钢内封装压电晶片构成漩涡传感器,信号稳定
配备3.6V高聚能锂电池,具有高储存能量密度,使用寿命长达2年以上
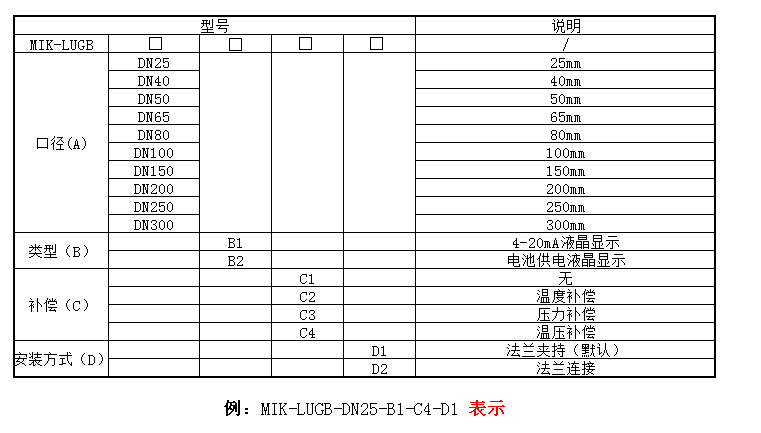
产品型号:涡街流量计(JJG1029-2007)
仪表口径(mm):15、20、25、32、40、50、65、80、100、125、150、200、250、300
公称压力(Mpa):1.6Mpa、2.5Mpa、4.0Mpa(其他可订制)
量 程 比:1:10;1:15;1:20
精度等级:液体:±1% ;气体或蒸汽:±1.5%、±1%
传感器材质:304不锈钢、316(L)不锈钢等
介质温度:-40℃~+250℃、-40℃~+320℃
使用条件:环境温度:-20℃~+60℃
相对湿度:5%~95%
大气压力:86Kpa~106 Kpa
信号输出功能:脉冲信号、4~20mA信号
通讯输出功能:RS485通讯输出、HART协议等
工作电源:外电源:24V DC,纹波≤±5%,适用于4~20mA输出、脉冲输出、RS485通讯输出等
内电源:1组3.1V10AH锂电池,电池电压在2.0V~3.0V时均可正常工作
信号线接口:赫斯曼或自带三芯线缆
防护等级:IP65或更高(可订制)




