一、概述
YEJ-101型矩形膜盒压力表适用于锅炉通风设备等对铜合金不起侵蚀作用的和中性、无爆炸危险的气体微压和负压进行测量。
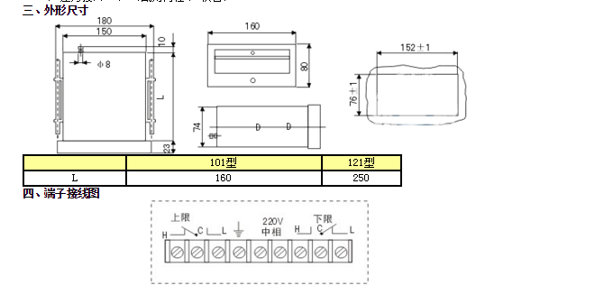
YEJ-121型矩形接点膜盒压力表适用于锅炉通风设备中对铜合金不起侵蚀作用的和中性、无爆炸危险的气体的微压和负压进行测量并具有双二位调节(双限发讯)的作用,以实现位式调节或超限报警之用。
二、主要技术参数
◆ 精确度等级:2.5
◆ 使用环境条件:-20~60℃(YEJ-121型为0~50℃),相对湿度不大于85%,且震动和被测介质的急剧脉动对仪表正常工作无明显影响。
◆ 测量范围(Pa)
| 正压 | 负压 | 正负压 | |
| 0~250 | -250~0 | -120~+120 | |
| 0~400 | -400~0 | -200~+200 | |
| 0~600 | -600~0 | -300~+300 | |
| 0~1000 | -1000~0 | -500~+500 | |
| 0~1600 | -1600~0 | -800~+800 | |
| 0~2500 | -2500~0 | -1200~+1200 | |
| 0~4000 | -4000~0 | -2000~+2000 | |
| 0~6000 | -6000~0 | -3000~+3000 | |
| 0~10000 | -10000~0 | -5000~+5000 | |
| 0~16000 | -16000~0 | -8000~+8000 | |
| 0~25000 | -25000~0 | -12000~+12000 | |
| 0~40000 | -40000~0 | -20000~+20000 | |
◆ 电气指标:(YEJ-121型)
◆ 设定误差:小于全量程的2.5%
◆ 位式输出接点容量:交流无感受负载3A 220V
◆ 工作电源:AC220V
◆ 消耗电源:小于5W
◆ 压力接口:φ8(配用内径φ6软管)



