一、概述
膜盒压力表采用膜河作为测量微小压力的敏感元件。测量对铜合金不起腐蚀作用、无爆炸危险气体的微压和负压,广泛应用于锅炉通风、气体管道、燃烧装置等其他类似设备上。
二、结构原理
仪表由测量系统(包括接头膜盒等)、传动机构、指示装置和外壳组成。
当被测介质的压力作用于膜盒时,其自由端产生相应弹性变形一位移,经拨杆带动传动机构放大,由指示装置将被测压力在仪表盘上指示出来。
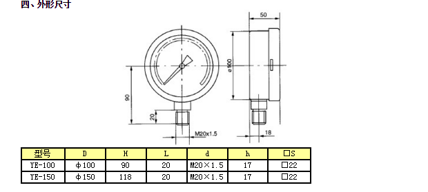
三、主要技术参数
◆标度范围、精确度等级及重量
型号 | 标度范围KPa | |||||
正压 | 负压 | 正负压 | 精确度等级 | 重量kg | ||
YE-100 YE-150 |
0~1.6 0~2.5 0~4 0~6 0~10 0~16 0~25 0~40 |
-1.6~0 -2.5~0 -4~0 -6~0 -10~0 -16~0 -25~0 -40~0 |
-0.8~+0.8 -1.2~+1.2 -2~+2 -3~+3 -5~+5 -8~+8 -12~+12 -20~+20 |
2.5 | 0.5 |
◆温度影响:使用温度偏离20±5℃时,其温度附加误差不大于0.04%/10℃。
◆测压系统及外壳等主要零件的材质
零件名称 | 材料牌号 |
接头 | 黄铜HPb59-1 |
膜盒 | 锡青铜QSn6.5-0.1 |
齿轮传动机构 | 铜HPb59-1 |
表壳、罩壳 | 冷轧钢板 |
