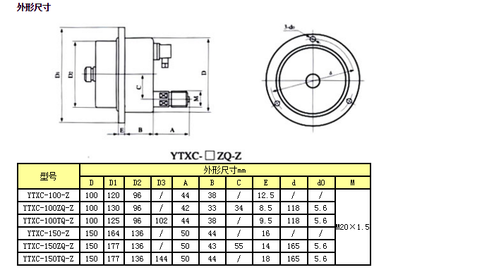
YTXC-100TQ-Z,YTXC-150TQ-Z
耐震轴向带边电接点压力表具有抗介质脉动和冲击载荷,耐环境振动等优异特性,耐震轴向带边电接点压力表适用测量对铜和铜合金无腐蚀性的气体,液体或蒸汽等压力。仪表设上、下限二位开关型接点装置,在压力达到设定值时发出信号或通断控制电路,供作业系统自动控制或发讯用。耐震轴向带边电接点压力表其抗振结构可有效抑制指针的抖动、冲击,保护接点,使仪表指示清晰,电信号切换可靠,工作稳定。
广泛应用于机械、化工、石油、冶金、电力等工业生产过程。耐震轴向带边电接点压力表更可以安装在仪表面板上,便于现场工人操作.

