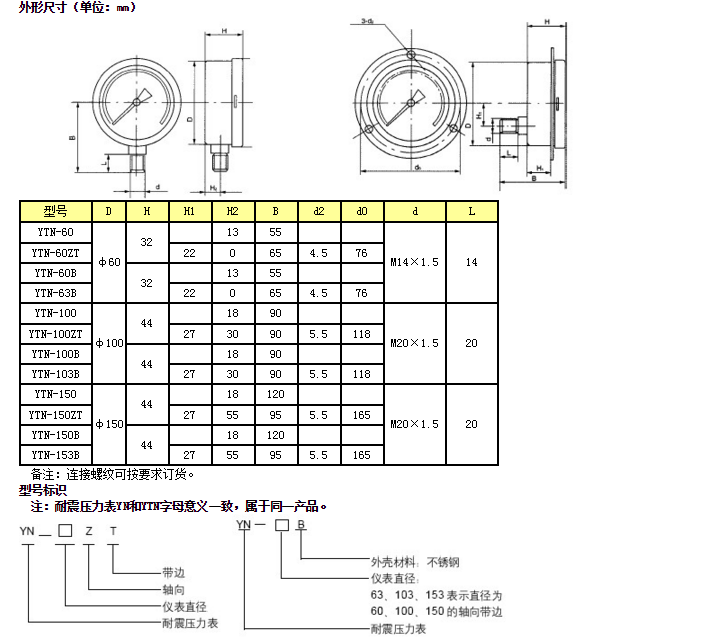
YTN-100B,YTN-103B,YTN-150,YTN-150ZT,YTN-150B,YTN-153B
主要技术参数
型号、结构形式、标度范围、精确度等级
型号 |
结构形式 |
精确度% |
测量上限MPa |
YTN-60 |
径向 |
±2.5 |
0~0.1;0~0.16;0~0.25;0~0.4;0~0.6; |
YTN-100 |
径向 |
±1.6 |
0~0.1;0~0.16;0~0.25;0~0.4;0~0.6; |
YTN-150 |
径向 |
0~0.1;0~0.16;0~0.25;0~0.4;0~0.6; 0~1.0;0~1.6;0~2.5;0~4.0;0~6.0; 0~10;0~16;0~25;0~40;0~60;0~100 |
使用环境温度:5~55℃(表壳内充甘油);25~55℃(表壳内充硅油)。
抗工作环境振动等级V.H.4

使用与订货须知
使用中因环境温度过高,仪表指示值不回零位,可用细针在仪表橡皮塞上通一小孔,使仪表内腔与大气相通即可。
工作环境应无腐蚀性气体。
订货请说明名称,型号及测量上限。
YTN、YTN-B/YJTFN系列不锈钢耐震压力表常压型号
不锈钢耐震压力表 YJTFN-100/0~1MPa/径向 1/2NPT
不锈钢耐震压力表 YJTFN-100/-0.1~0.06MPa径向 1/2NPT
耐震压力表 YN-60 0~0.6MPa 螺纹:M14×1.5 精度:2.5级
耐震压力表 YN-60 0~1MPa 螺纹:M14×1.5 精度:2.5级
耐震压力表 YN-100 0~1.6MPa 螺纹:M20×1.5 精度:1.6级
耐震压力表 YN-1000~0.6MPa 螺纹:M20×1.5 精度:1.6级
耐震压力表 YN-100 0~1MPa 螺纹:M20×1.5 精度:1.6级
耐震压力表(充油) YTN-100 0~0.4MPa M20×1.5 1.6级
耐震压力表(充油) YTN-100 0~1MPa M20×1.5 1.6级
耐高温耐震压力表(充油) YTN-100B 0~0.25MPa M20×1.5 不锈钢材质 1.6级
耐高温耐震压力表(充油) YTN-100B 0~0.4MPa M20×1.5 不锈钢材质 1.6级
耐高温耐震压力表(充油) YTN-100B 0~1MPa M20×1.5 不锈钢材质 1.6级
耐震压力表 YN-100,0~1.6MPa
耐震压力表 YN-100,0~10MPa
耐震压力表 YN-100,0~40MPa
耐振压力表 YN-100 0~1.6Mpa 径向 表盘:100mm M20x1.5 1.6级
耐震压力表Y-150N 精度1.5级 安装螺纹:M20*1.5环境温度:-40℃~60℃ 0-1MPa 耐震压力表 Y-150N 精度1.5级 安装螺纹:M20*1.5环境温度:-40℃~60℃ 0-1.6MPa
耐震压力表 Y-150N 精度1.5级 安装螺纹:M20*1.5环境温度:-40℃~60℃ 0-10MPa
耐热压力表 YTH-150 0~2.5MPa 配散热器 1.6级
耐震压力表 YTN-150 0~25MPa 1.6级
耐震压力表 YN-100B 表盘100 0~6bar M20*1.5
耐震压力表 YN-100B 表盘100 0~6bar M20*1.5 304不锈钢 底部连接 带焊接螺母
耐震压力表 YN-100B 表盘100 -1~15bar M20*1.5 304不锈钢 背部连接 带气管接头