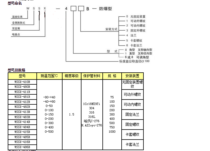
WSSX-482B,WSSX-413B,WSSX-483B,WSSX-414B
WSSX-484B,WSSX-415B,WSSX-485B,WSSX-416B,
WSSX-486B,WSSX-412B
概述
防爆双金属温度计(以下简称温度计)是一种可用于爆炸性气体环境测量中、低温的现场测量和自动控制仪表。可用来直接测量气体和液体的温度, 并对被测介质的温度变化进行自动控制或发出信号。本系列防爆双金属温度计经国家级仪器仪表防爆安全监督检验站(NEPS1)检验认可, 防爆安全性能符合GB3836.1-2000和GB/T3836.2-2000的有关要求.
结构和工作原理
温度计是由外壳、接线盒、检测元件、指示部分、电接触组和调节装置等组成。
温度计由绕成螺旋形的热双金属片作感温元件,并装在保护管内,一端固定,另一端(自由端)轴端装有指针和动触点。当温度变化时,感温元件自由端产生旋,:带动指定触点(上限定触点或下限定触点)接触成断开时,发出信号,达到控制和报警的目的。
主要技术参数
(1)电接点型式:上、下限触点
(2)精确度等级:1.5级
(3)电气参数:接点额定功率10VA
最高工作电压220Va.c
接点最大工作电流0.7A
(作电压推荐36V以下,但不宜小于12V,以保证触点动作可靠)
(4)设定点误差不超过基本误差限的1.5倍
(5) 保护管公称压力:6.3MPa(静压)
(6)环境温度:(-20~+40)℃
(7)检测元件材质:1Cr18Ni9Ti
(8)防爆等级:ExdIICT4-CT6

