欢迎访问昌林自动化官方网站!
九州娱乐ts111下载
 

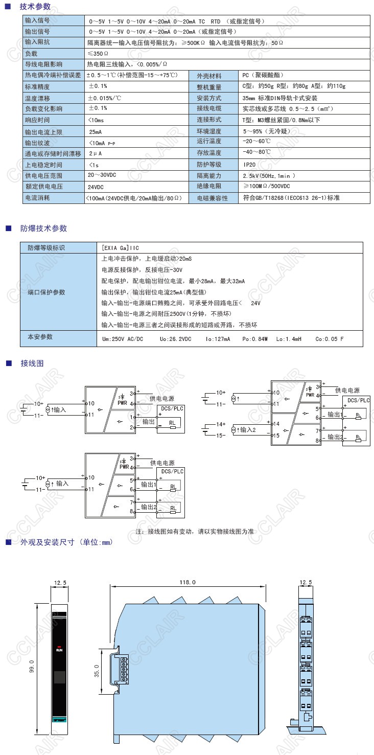
PA1D-TCN2,PA1D-RTCN2,PA1D-TC/RTCN2-1V5/4MA20N2,PA隔离式安全栅

点击图片查看原图
 
型号: PA1D-TCN2,PA1D-RTCN2,PA1D-TC/RTCN2-1V5/4MA20N2
PDF下载: 如需产品详细说明请与销售客服联系
浏览次数: 855
询价
 
公司基本资料信息
详细说明

 PA1D-TCN2,PA1D-RTCN2,PA1D-TC/RTCN2-1V5/4MA20N2,PA隔离式安全栅

PA1D-TCN2,PA1D-RTCN2,PA1D-TC/RTCN2-1V5/4MA20N2

更多>本企业其它产品
0相关评论