手机版
二维码
欢迎访问昌林自动化官方网站!
了解产品
品牌站
搜索
首页
了解产品
资讯动态
品牌站
下载中心
首页
>
了解产品
>
液压辅助元件
>
液压辅助元件
>
放大器
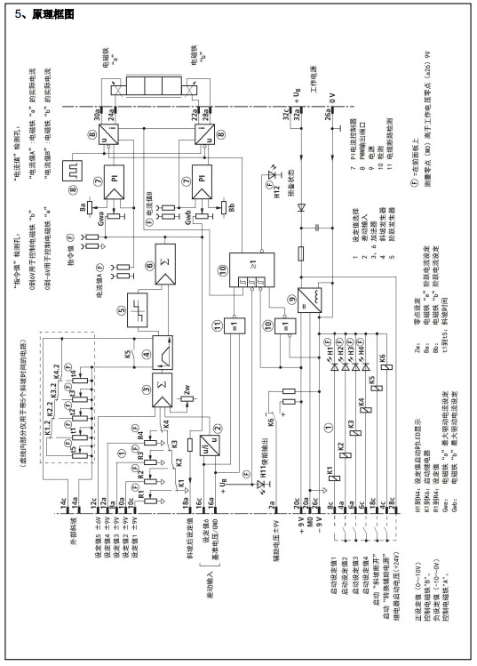
HT-3000,HT-3006,HT-3013,HT-3014,HT-3017,HT-3018比例放大器
点击图片查看原图
型号:
HT-3000,HT-3006,HT-3013,HT-3014,HT-3017,HT-3018比例放大器
PDF下载:
如需产品详细说明请与销售客服联系
浏览次数:
2395
公司基本资料信息
联系人
销售员(女士)
电话
13861877712
地区
江苏-无锡市
地址
无锡市会北路28-135
详细说明
HT-3000,HT-3006,HT-3013,HT-3014,HT-3017,HT-3018比例放大器
更多
>
本企业其它产品
DK玻璃转子流量计LZB-
LG系V型锥流量计LGKV
LZB-FL分流转子流量计
UHC-52D磁性浮球液位
UGS彩色石英玻璃液位
WSS双金属温度计WSS-3
WSS双金属指示热电阻(
XSL巡回检测仪表XSL/A
0
条
相关评论