手机版
二维码
欢迎访问昌林自动化官方网站!
了解产品
品牌站
搜索
首页
了解产品
资讯动态
品牌站
下载中心
首页
>
了解产品
>
开关电气 传感器
>
开关类
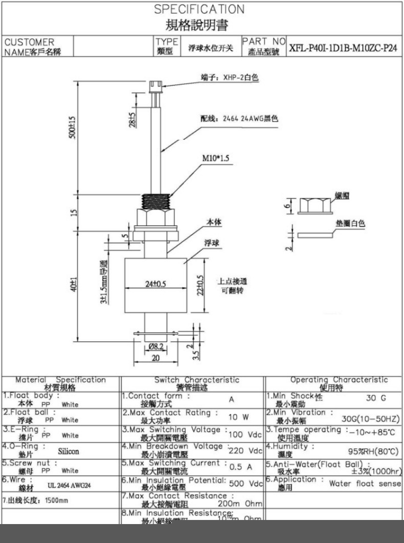
XFL-P40I-D1,40mm超短浮球开关
点击图片查看原图
型号:
XFL-P40I-D1
PDF下载:
如需产品详细说明请与销售客服联系
浏览次数:
430
公司基本资料信息
联系人
销售员 1752(先生)
电话
13861877712
地区
江苏-无锡市
地址
无锡市会北路28-135
详细说明
XFL-P40I-D1,40mm超短浮球开关
XFL-P40I-D1
更多
>
本企业其它产品
XFL-S5-150MM,XFL-S5-
XFL-S5-250MM,XFL-S5-
XFL-S3-200MM,XFL-S3-
XFL-S5-350MM,XFL-S5-
XFL-SD-500MM,XFL-SD-
XFL-S5-280MM,XFL-S5-
XFL-S5-300MM,XFL-S5-
XFL-TN230MM,XFL-TN15
0
条
相关评论