手机版
二维码
欢迎访问昌林自动化官方网站!
了解产品
品牌站
搜索
首页
了解产品
资讯动态
品牌站
下载中心
首页
>
了解产品
>
液压辅助元件
>
液压过滤器及装置
>
过滤装置
W-YG11-16P-DN15,W-YG11-16P-DN20,W-YG11-16P-DN25,不锈钢螺纹Y型过滤器
点击图片查看原图
型号:
W-YG11-16P-DN15,W-YG11-16P-DN20,W-YG11-16P-DN25,W-YG11-16P-DN32,W-YG11-16P-DN40,W-YG11-16P-DN80
PDF下载:
如需产品详细说明请与销售客服联系
浏览次数:
577
公司基本资料信息
联系人
销售员 1753(先生)
电话
13861877712
地区
江苏-无锡市
地址
无锡市会北路28-135
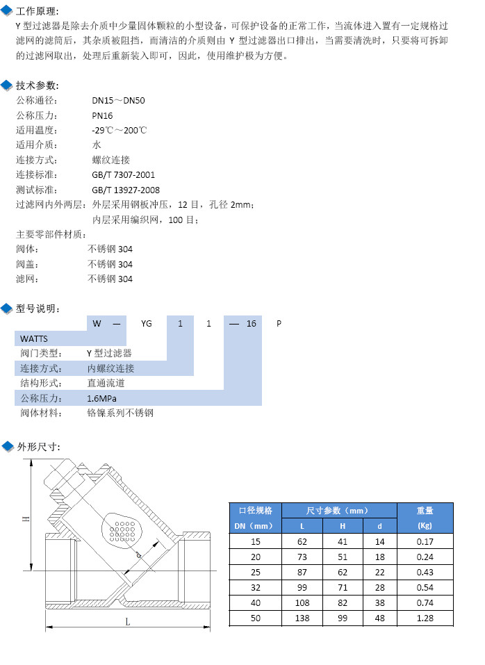
详细说明
W-YG11-16P-DN15,W-YG11-16P-DN20,W-YG11-16P-DN25,W-YG11-16P-DN32,W-YG11-16P-DN40,W-YG11-16P-DN80
更多
>
本企业其它产品
LF007-QT-DN15,LF007-
W-757OSY-DN65,W-757O
W-100X-25C-DN50,W-10
W-200X-25C-DN50,W-20
W-300X-25C-DN50,W-30
W-400X-25C-DN50,W-40
W-500X-25C-DN50,W-50
W-600X-25C-DN50,W-60
0
条
相关评论