
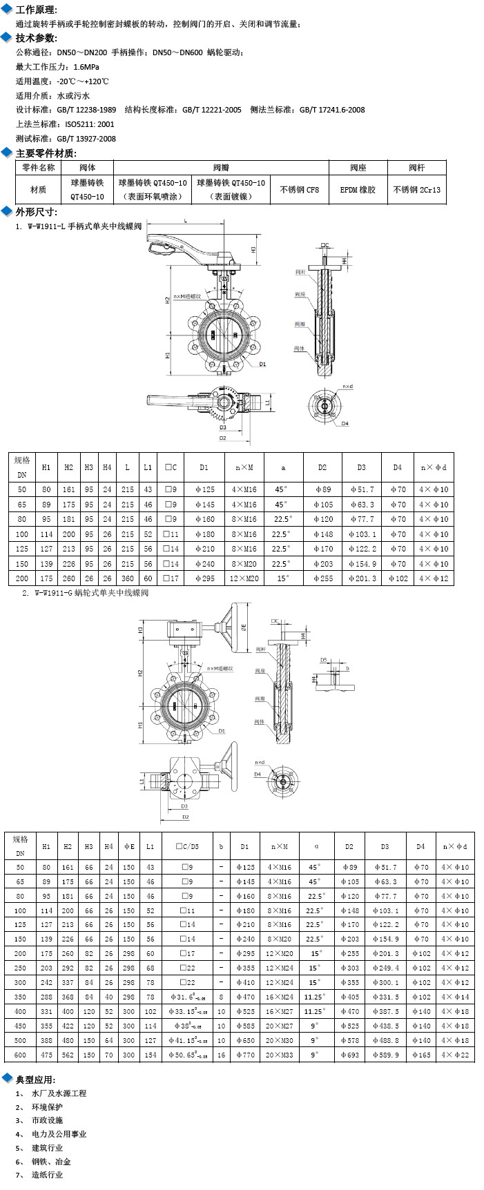
W-W1911-L-DN50,W-W1911-L-DN65,W-W1911-L-DN80,W-W1911-L-DN100,W-W1911-L-DN125,W-W1911-L-DN150 W-W1911-L-DN200 W-W1911-G-DN50,W-W1911-G-DN65,W-W1911-G-DN80,W-W1911-G-DN100,W-W1911-G-DN125,W-W1911-G-DN150 W-W1911-G-DN200,W-W1911-G-DN250,W-W1911-G-DN300,W-W1911-G-DN350,W-W1911-G-DN400,W-W1911-G-DN450 W-W1911-G-DN500,W-W1911-G-DN600


