手机版
二维码
欢迎访问昌林自动化官方网站!
了解产品
品牌站
搜索
首页
了解产品
资讯动态
品牌站
下载中心
首页
>
了解产品
>
执行元件 液压缸
>
执行元件/气缸
>
标准气缸
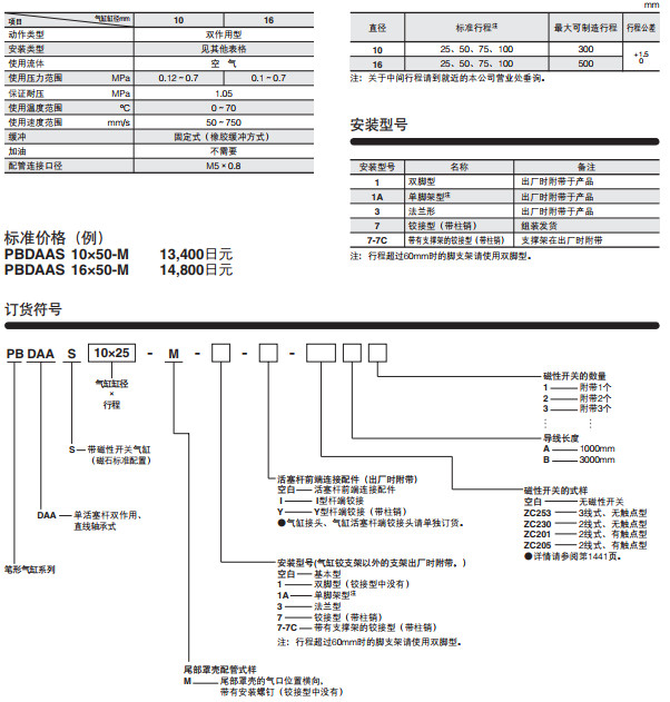
PBDAAS10*25,PBDAAS10*50,PBDAAS10*75,PBDAAS10*100,PBDAAS16*25,笔形气缸--直线轴承式气缸
点击图片查看原图
型号:
PBDAAS10*25,PBDAAS10*50,PBDAAS10*75,PBDAAS10*100,PBDAAS16*25,PBDAAS16*50,PBDAAS16*75,PBDAAS16*100
PDF下载:
如需产品详细说明请与销售客服联系
浏览次数:
500
公司基本资料信息
联系人
销售员1759(先生)
电话
13861877712
地区
江苏-无锡市
地址
无锡市会北路28-135
详细说明
PBDAAS10*25,PBDAAS10*50,PBDAAS10*75,PBDAAS10*100,PBDAAS16*25,PBDAAS16*50,PBDAAS16*75,PBDAAS16*100
更多
>
本企业其它产品
KFPC1-F07-DN,比例控
KFPV050-2-20,KFPV050
KFPV300-2-40,KFPV300
EWHTB,教学控制盒EWHT
EWHC-NH,EWHCP-NH,EWH
EWHA12A,EWHA24A,EWHA
EWHRT1A,EWHRT3A,EWHR
EWM5HSA-20,EWM5HSA-4
0
条
相关评论