

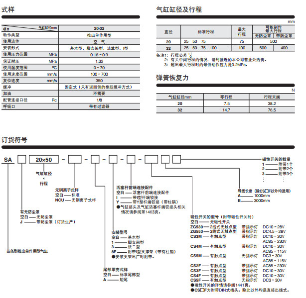
SA20*25,SA20*50,SA20*75,SA32*25,SA32*50,SA32*75,SA32*100,SAJ20*25,SAJ20*50,SAJ20*75,SAJ32*25,SAJ32*50,SAJ32*75,SAJ32*100
|
公司基本资料信息
|
|||||||||||||||


SA20*25,SA20*50,SA20*75,SA32*25,SA32*50,SA32*75,SA32*100,SAJ20*25,SAJ20*50,SAJ20*75,SAJ32*25,SAJ32*50,SAJ32*75,SAJ32*100