

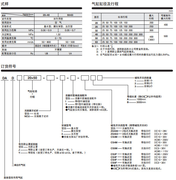
DAD20*25,DAD20*50,DAD20*75,DAD20*100,DAD20*25,DAD20*150,DAD25*25,DAD25*50,DAD25*75,DAD25*100,DAD25*125 DAD25*150,DAD25*200,DAD32*25,DAD32*50,DAD32*75,DAD32*100,DAD32*125,DAD32*150,DAD32*200,DAD40*25,DAD40*50 DAD40*75,DAD40*100,DAD40*125,DAD40*150,DAD40*200,DAD40*250,DAD40*300,DAD50*25,DAD50*50,DAD50*75,DAD50*100 DAD50*150,DAD50*200,DAD50*250,DAD50*300,DAD63*25,DAD63*50,DAD63*75,DAD63*100,DAD63*150,DAD63*200,DAD63*250 DAD63*300,DADJ20*25,DADJ20*50,DADJ20*75,DADJ20*100,DADJ20*125,DADJ20*150,DADJ25*25,DADJ25*50,DADJ25*75 DADJ32*100,DADJ32*125,DADJ32*150,DADJ32*200,DADJ40*25,DADJ40*50,DADJ40*75,DADJ40*100,DADJ40*125,DADJ40*150 DADJ40*200,DADJ40*250,DADJ40*300,DADJ50*25,DADJ50*50,DADJ50*75,DADJ50*100,DADJ50*150,DADJ50*200,DADJ50*250 DADJ50*300,DADJ63*25,DADJ63*50,DADJ63*75,DADJ63*100,DADJ63*150,DADJ63*200,DADJ63*250,DADJ63*300,DADY20*25 DADY20*50,DADY20*75,DADY20*100,DADY20*125,DADY20*150,DADY25*25,DADY25*50,DADY25*75,DADY32*100,DADY32*125 DADY32*150,DADY32*200,DADY40*25,DADY40*50,DADY40*75,DADY40*100,DADY40*125,DADY40*150,DADY40*200,DADY40*250 DADY40*300,DADY50*25,DADY50*50,DADY50*75,DADY50*100,DADY50*150,DADY50*200,DADY50*250,DADY50*300,DADY63*25 DADY63*50,DADY63*75,DADY63*100,DADY63*150,DADY63*200,DADY63*250,DADY63*300


