
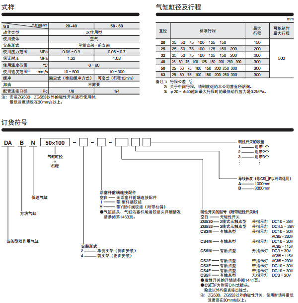
DABN20*25,DABN20*50,DABN20*75,DABN20*100,DABN20*125,DABN20*150,DABN25*25,DABN25*50,DABN25*75,DABN25*100 DABN25*125,DABN25*150,DABN25*200,DABN32*25,DABN32*50,DABN32*75,DABN32*100,DABN32*125,DABN32*150,DABN32*200 DABN40*25,DABN40*50,DABN40*75,DABN40*100,DABN40*125,DABN40*150,DABN40*200,DABN40*250,DABN40*300,DABN50*25 DABN50*50,DABN50*75,DABN50*100,DABN50*150,DABN50*200,DABN50*250,DABN50*300,DABN63*25,DABN63*50,DABN63*75 DABN63*100,DABN63*150,DABN63*200,DABN63*250,DABN63*300


