

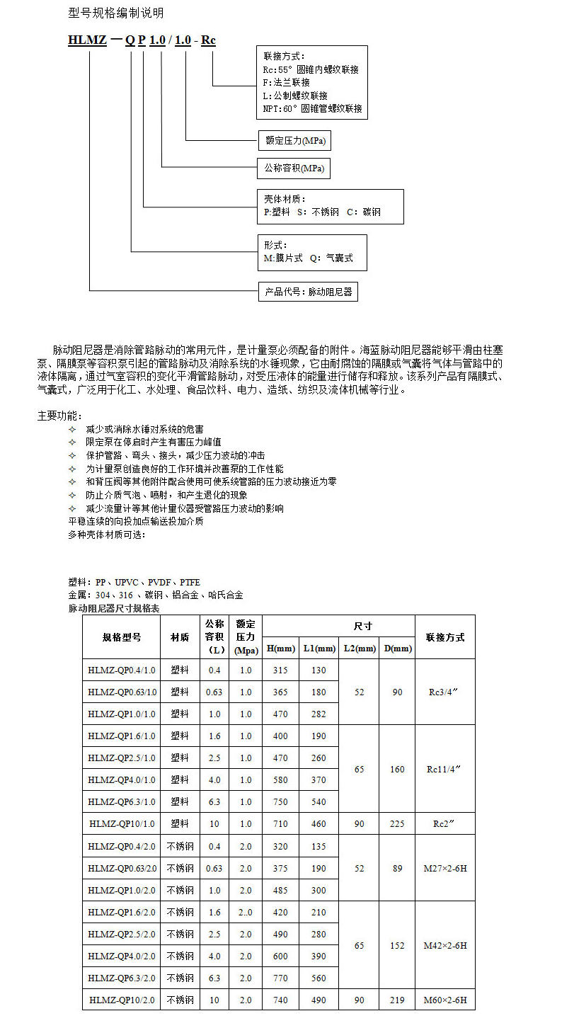
HLMZ-QP0.4/1.0,HLMZ-QP0.63/10,HLMZ-QP1.0/1.0,HLMZ-QP1.6/1.0,HLMZ-QP2.5/1.0,HLMZ-QP4.0/1.0,HLMZ-QP6.3/1.0 HLMZ-QP10/1.0,HLMZ-QP0.4/2.0,HLMZ-QP0.63/2.0,HLMZ-QP1.0/2.0,HLMZ-QP1.6/2.0,HLMZ-QP2.5/2.0,HLMZ-QP4.0/2.0 HLMZ-QP6.3/2.0,HLMZ-QP10/2.0,HLMZ-MP0.15/1.0,HLMZ-MP0.35/1.0,HLMZ-MP0.6/1.0,HLMZ-MP1.0/1.0,HLMZ-MP2.0/1.0 HLMZ-MP4.0/1.0,HLMZ-MS0.15/2.5,HLMZ-MS0.35/2.5,HLMZ-MS6.0/2.5,HLMZ-MS0.15/5.0,HLMZ-MS0.35/5.0,HLMZ-MS0.6/5.0 HLMZ-MS1.0/5.0,HLMZ-MS2.0/5.0,HLMZ-MS4.0/5.0,HLMZ-MS6.0/5.0,HLMZ-MS0.4/10,HLMZ-MS0.63/10,HLMZ-MS1.0/10 HLMZ-MS1.6/10,HLMZ-MS2.5/10,HLMZ-MS4.0/10,HLMZ-MS6.3/10,HLMZ-MS0.25/20,HLMZ-MS0.4/20,HLMZ-MS0.63/20,HLMZ-MS1.0/20 HLMZ-MS1.6/20,HLMZ-MS2.5/20


