手机版
二维码
欢迎访问昌林自动化官方网站!
了解产品
品牌站
搜索
首页
了解产品
资讯动态
品牌站
下载中心
首页
>
了解产品
>
执行元件 液压缸
>
执行元件/气缸
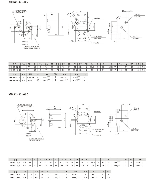
圆柱形气爪气缸 MHS2-16D,MHS2-20D,MHS2-25D,MHS2-32D,MHS2-40D,MHS2-50D,MHS2-63D
点击图片查看原图
型号:
MHS2-16D,MHS2-20D,MHS2-25D,MHS2-32D,MHS2-40D,MHS2-50D,MHS2-63D
PDF下载:
如需产品详细说明请与销售客服联系
浏览次数:
204
公司基本资料信息
联系人
小金井(先生)
电话
13812199898
地区
江苏-无锡市
地址
无锡市会北路28-135
详细说明
MHS2-16D,MHS2-20D,MHS2-25D,MHS2-32D,MHS2-40D,MHS2-50D,MHS2-63D
更多
>
本企业其它产品
自由气缸CUW6-5D,CUW6
自由气缸 CDUKW6-5T,C
自由气缸 CDU6-5D,CDU
自由气缸 CU6-5T,CU6-
自由气缸 CU6-5D,CU6-
薄型气缸 CQSB12-5D,C
轻型气缸 CQ2B100-5D,
轻型气缸 CQ2B80-5D,C
0
条
相关评论