手机版
二维码
欢迎访问昌林自动化官方网站!
了解产品
品牌站
搜索
首页
了解产品
资讯动态
品牌站
下载中心
首页
>
了解产品
>
气动器材 气动阀
>
控制元件
>
梭阀
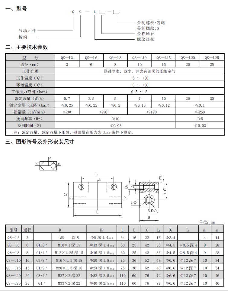
QS系列梭阀
点击图片查看原图
型号:
QS系列
PDF下载:
产品详细说明请点击下载
浏览次数:
169
公司基本资料信息
联系人
wxfd(先生)
电话
13861877712
地区
江苏-无锡市
地址
无锡市会北路28-135
详细说明
QS系列梭阀
更多
>
本企业其它产品
JYP型加油泵
10A-5QY系列气液转换
QYJ系列气动压力机
QDA-L3型气电转换器
QD-L2型气电转换器
YST系列液压速度调节
HCH-IT系列可调缓冲器
HCH系列缓冲器
0
条
相关评论