欢迎访问昌林自动化官方网站!
九州娱乐ts111下载
 

YS-03, YS-06, YS-10 ,先导顺序阀,

点击图片查看原图
 
型号: YS-03, YS-06, YS-10 ,
PDF下载: 如需产品详细说明请与销售客服联系
浏览次数: 529
询价
 
公司基本资料信息
详细说明

YS-03, YS-06, YS-10 ,先导顺序阀,生产厂家,价格
 
YS-03   YS-06  YS-10     先导顺序阀
YS-03   YS-06  YS-10     先导顺序阀
YS-03   YS-06  YS-10     先导顺序阀
ItemNo: YS型先导顺序阀

    YS型先导顺序阀,在液压系统中用来控制执行元件的先后动作顺序,实现液压系统的自动控制。改变控制油的控制形式,可以分别得到背压阀,卸荷阀、旁通阀,顺序阀等多种使用形式,如选用带单向阀的内供内排或外供内排型顺序阀,还可作为平衡阀使用。

技术参数

  规 格
03
06
10
  流量l/min
100
200
400
  液压介质
矿物质液压油、磷酸脂液压油
  介质粘度范围mm2/s
2.8~100
  介质温度范围℃
-20~70
  工作压力MPa
A、B、X口至31.5
  背压MPa
Y口至31.5
  调节压力MPa
0.3~21(与流量有关)

型号说明 model instruction

YS-03   YS-06  YS-10     先导顺序阀

机能符号 code symbol

YS-03   YS-06  YS-10     先导顺序阀

外形尺寸 outside size

YS-03   YS-06  YS-10     先导顺序阀

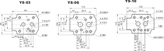
底板尺寸 plate size

YS-03   YS-06  YS-10     先导顺序阀

YS-03   YS-06  YS-10     先导顺序阀

YS-03   YS-06  YS-10     先导顺序阀

更多>本企业其它产品
0相关评论