
QY20-129A型导控顺序阀 |
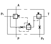
图形符号![]() 技术参数 额定压力:19.6MPa 公称通径:15mm 额定流量:60L/min 最大导控压力:9.8MPa 开启压力范围:6.86~9.8MPa 闭合压力范围:开启压力的53~56% 外形尺寸 ![]() |
|
公司基本资料信息
|
QY20-129A型导控顺序阀 |
图形符号![]() 技术参数 额定压力:19.6MPa 公称通径:15mm 额定流量:60L/min 最大导控压力:9.8MPa 开启压力范围:6.86~9.8MPa 闭合压力范围:开启压力的53~56% 外形尺寸 ![]() |