手机版
二维码
欢迎访问昌林自动化官方网站!
了解产品
品牌站
搜索
首页
了解产品
资讯动态
品牌站
下载中心
首页
>
了解产品
>
气动辅助元件
>
接头类
>
气动接头
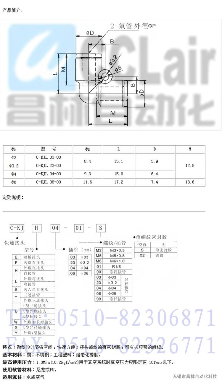
C-KJL03-00 ,C-KJL04-00,C-KJL06-00,C-KJL23-00,弯管,
点击图片查看原图
型号:
C-KJL03-00 ,C-KJL04-00,C-KJL06-00,C-KJL23-00
PDF下载:
如需产品详细说明请与销售客服联系
浏览次数:
456
公司基本资料信息
联系人
销售员1095(女士)
电话
13861877712
地区
江苏
地址
无锡市会北路28-135
详细说明
C-KJL03-00 ,C-KJL04-00,C-KJL06-00,C-KJL23-00,弯管, 生产厂家,价格
更多
>
本企业其它产品
C-ZH05B□,C-ZH07B□,
C-ZH05BS-06-06,C-ZH0
C-ZH05BS-01-01,C-ZH0
C-ZH05BL-06-06,C-ZH0
C-ZH05BL-01-01,C-ZH0
C-ZH05D□,C-ZH07D□,
C-ZH15D□,C-ZH18D□,
C-ZH05DS-06-06-06,C-
0
条
相关评论