简单介绍
RCF125A1-10,RCF150A1-10,RCF200A1-10,RCF63A1-10,RCF250A1-10,RCF300A1-10,充液阀,生产厂家,价格
RCF125A1-10,RCF150A1-10,RCF200A1-10,RCF63A1-10,RCF250A1-10,RCF300A1-10,充液阀
的详细介绍RCF125A1-10,RCF150A1-10,RCF200A1-10,RCF63A1-10,RCF250A1-10,RCF300A1-10,充液阀,生产厂家,价格
1、简介
本系列充液阀是在引进、消化德国力士乐公司产品的基础上,结合国内的工艺特点,开发的新液压产品,该产品属国家“八五”基础件攻关项目,替代进口产品,具有外形美观和抗锈蚀等特点。
RCF系列充液阀是一种液控单向阀,一个方向止流,另一个方向自由流通(A到B)先导动作是由油口X供应的控制阀芯用液压实现的,由此直接打开主阀(无泄压特性)对于有减压特性阀,首先导阀打开,随后主阀才打开,开启和关闭的时间可由安装在先导油路上的单向节流阀调整(该阀由用户设计安装)。
2、型号说明



Frame " height="440" src="http://s6.superstat.cn/productmessage.aspx?webid=259665&pid=12142941&tid=40&ln=zh-cn&reurl=http%3a%2f%2fwww.ccl-cclair.com%2fs02%2fproduct%2f2011%2f08%2f16%2f12142941.html" frame border="0" width="500" scrolling="no">frame>
1、简介
本系列充液阀是在引进、消化德国力士乐公司产品的基础上,结合国内的工艺特点,开发的新液压产品,该产品属国家“八五”基础件攻关项目,替代进口产品,具有外形美观和抗锈蚀等特点。
RCF系列充液阀是一种液控单向阀,一个方向止流,另一个方向自由流通(A到B)先导动作是由油口X供应的控制阀芯用液压实现的,由此直接打开主阀(无泄压特性)对于有减压特性阀,首先导阀打开,随后主阀才打开,开启和关闭的时间可由安装在先导油路上的单向节流阀调整(该阀由用户设计安装)。
2、型号说明

| 3、技术数据 | |||||||||||||||||||||||||||||||||||||||||||||||||||||||||||||||||||||||||||||||||||||||||||||||||||
|
|||||||||||||||||||||||||||||||||||||||||||||||||||||||||||||||||||||||||||||||||||||||||||||||||||
| 4、流量(L/min)与流速(m/s)关系 | |||||||||||||||||||||||||||||||||||||||||||||||||||||||||||||||||||||||||||||||||||||||||||||||||||
|
|||||||||||||||||||||||||||||||||||||||||||||||||||||||||||||||||||||||||||||||||||||||||||||||||||
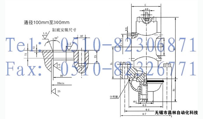
| 5、外形及安装尺寸 | |||||||||||||||||||||||||||||||||||||||||||||||||||||||||||||||||||||||||||||||||||||||||||||||||||

|
||||||||||||||||||||||||||||||||||||||||||||||||||||||||||||||||||||||||||||||||||||||||||||||||||||||||||||||||
|
||||||||||||||||||||||||||||||||||||||||||||||||||||||||||||||||||||||||||||||||||||||||||||||||||||||||||||||||
| 6、外形及安装尺寸 |

|
|||||||||||||||||||||||||||||||||||||||||||||||||||||||||||||||||||||||||||||||||||||||||||
|
|||||||||||||||||||||||||||||||||||||||||||||||||||||||||||||||||||||||||||||||||||||||||||
| 附注:1、安装要求:推荐尽量采用垂直安装 2、特殊要求:用户对阀的机能、参数、安装连接形式和尺寸有特殊要求时,可以特殊定货。 |
产品留言
frame id="msg

