DB-N25,DB-N45,DB-N50,DB-N90,单线润滑泵,生产厂家,价格
一、使用条件
DB-N系列单线润滑泵适用于润滑频率较低,润滑点在50点以下,公称压力为31.5MPa的单线式中小型机械设备集中润滑系统中,直接或通过单线分配器向各润滑点供送润滑脂的输送供油装置。
该泵适用于冶金,矿山、港口、运输、建筑等设备。
二、技术参数
|
型 号
|
公称压力MPa
|
贮油器容积L
|
公称流量mL/min
|
电机
|
重 量kg
|
|
|
功率kW
|
电压V
|
|||||
|
DB-N25
|
31.5
|
30
|
0~25
|
0.37
|
380
|
37
|
|
DB-N45
|
0~45
|
39
|
||||
|
DB-N50
|
0~50
|
37
|
||||
|
DB-N90
|
0~90
|
39
|
||||
使用介质为锥入度不低于265(25℃,150g)1/10mm的润滑脂或粘度等级大于N68的润滑油,工作环境温度为-20~80℃。

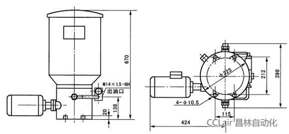
五、外形尺寸

六、使用说明
1、多点润滑泵应安装在环境温度合适,灰尘少,便于补脂检查、维护保养等都方便的场合。
2、向贮油器内补脂必须使用加油泵从贮油器的加油口注入,严禁揭盖加入不经过滤的工作介质。
3、按贮油器筒壁上旋向牌规定的旋向进行电机接线,不得反转。
4、给油口数可在1~14 范围内任意选择,根据设备需要不用的柱塞泵元件可以自行拆下,螺孔用M20×1.5螺塞封堵即可。


