YZ15-Ⅱ,YZ20-Ⅱ,YZ25-Ⅱ,YZ32-Ⅱ,YZ40-Ⅱ,Y型系列过滤器,生产厂家,价格
一、使用条件
Y型系列过滤器是石油、化工等输送管线上必不可少的设备,具有结构紧凑,使用方便,过滤能力大,压力损失小,安全可靠,价格低廉等优点。本产品规格齐全,适用性强,若将它安装在泵的入口或系统管线的有关部位,可提高泵及设备的使用寿命,又能保证整个系统安全稳定的运行。
过滤器是从流体中分离固体颗粒的过程,通常在压差推动下,迫使流、固相混合物通过过滤介质使固体颗粒截留于介质上,达到使流体和固体互相分离的功能。
二、技术参数及外形尺寸
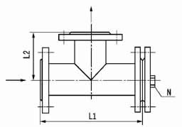
YZ- Ⅰ型(4MPa)
 |
|
公称直径DN
|
D0
|
L
|
H
|
管塞螺纹N
|
|
15
|
Rc1/2″
|
120
|
160
|
ZG1/4″
|
|
20
|
Rc3/4″
|
130
|
170
|
ZG1/4″
|
|
25
|
Rc1″
|
140
|
175
|
ZG1/4″
|
|
32
|
Rc1 1/4″
|
170
|
185
|
ZG1/4″
|
|
40
|
Rc1 1/2″
|
190
|
195
|
ZG1/4″
|
|
50
|
Rc2″
|
220
|
210
|
ZG3/8″
|
YZ-Ⅰ型为整体铸造螺纹连接式过滤器(DN15~50,PN≤4.0MPa)
|
|
YZ- Ⅱ型(10MPa)
 |
|
公称直径DN
|
D0
|
L
|
H
|
管塞螺纹N
|
|
15
|
21.8/18.5
|
120
|
170
|
ZG1/4″
|
|
20
|
27.4/25.5
|
130
|
180
|
ZG1/4″
|
|
25
|
34.2/32.5
|
140
|
185
|
ZG1/4″
|
|
32
|
42.9/38.5
|
170
|
210
|
ZG1/4″
|
|
40
|
48.8/48.5
|
190
|
220
|
ZG1/4″
|
YZ-Ⅱ型为整体铸造承插焊连接式过滤器(DN15~40,PN≤10.0MPa)
|
|
Y- Ⅰ型(5MPa)
 |
|
型 号
|
公称直径DN
|
公称压力PN
|
L
|
H
|
管塞螺纹N
|
|
Y15-I
|
15
|
|
260
|
180
|
ZG1/4″
|
|
Y20-I
|
20
|
|
270
|
190
|
ZG1/4″
|
|
Y25-I
|
25
|
≤5.0MPa
|
270
|
190
|
ZG1/4″
|
|
Y32-I
|
32
|
|
280
|
230
|
ZG1/4″
|
|
Y40-I
|
40
|
|
280
|
230
|
ZG1/4″
|
Y-Ⅰ型为焊接型法兰连接式过滤器(DN15~40,PN≤5.0MPa)
|
|
Y-Ⅱ型(5MPa)
 |
|
公称直径DN
|
L
|
H
|
管塞螺纹N
|
|
50
|
290
|
245
|
ZG3/8"
|
|
65
|
320
|
280
|
ZG3/8"
|
|
80
|
350
|
315
|
ZG3/8"
|
|
100
|
425
|
360
|
ZG3/8"
|
|
150
|
540
|
460
|
ZG3/4"
|
|
200
|
700
|
540
|
ZG3/4"
|
|
250
|
800
|
660
|
M20×1.5
|
|
300
|
950
|
750
|
M20×1.5
|
|
350
|
1050
|
845
|
M20×1.5
|
|
400
|
1250
|
920
|
M20×1.5
|
Y-Ⅱ型焊接型法兰连接式过滤器
|
|
Y-Ⅲ型(5MPa)
 |
|
公称直径DN
|
L
|
H
|
管塞螺纹N
|
|
80
|
330
|
150
|
ZG3/8"
|
|
100
|
360
|
160
|
ZG3/8"
|
|
150
|
440
|
200
|
ZG3/4"
|
|
200
|
540
|
230
|
ZG3/4"
|
|
250
|
600
|
270
|
M20×1.5
|
|
300
|
680
|
300
|
M20×1.5
|
|
350
|
750
|
340
|
M20×1.5
|
|
400
|
850
|
380
|
M20×1.5
|
Y-Ⅲ型焊接型法兰连接式过滤器
|
|
| 三、型号说明 |
四、工作原理
Y-Ⅰ型、Y-Ⅱ型,它们是由主管和支管按一定角度焊接而成,当液体进入置有相应规格滤网的滤筒后,其微小杂质滤至支管底部,而滤液则由过滤器出口排出。
Y-Ⅲ型它安装在管线转弯处,当流体进入滤筒后,滤液能转过90°从出口排出。清洗时,旋开支管底部的旋塞或拆卸开板即可。
五、滤网规格及各部分材质 |
|
滤 网 规 格
|
|
目数/英寸
|
20
|
30
|
40
|
60
|
80
|
100
|
|
丝径(mm)
|
0.417
|
0.315
|
0.213
|
0.122
|
0.102
|
0.081
|
|
净孔径(mm)
|
0.853
|
0.532
|
0.422
|
0.301
|
0.216
|
0.173
|
|
有效面积%
|
45
|
40
|
45
|
51
|
47
|
46
|
|