手机版
二维码
欢迎访问昌林自动化官方网站!
了解产品
品牌站
搜索
首页
了解产品
资讯动态
品牌站
下载中心
首页
>
了解产品
>
执行元件 液压缸
>
执行元件/气缸
>
导杆气缸
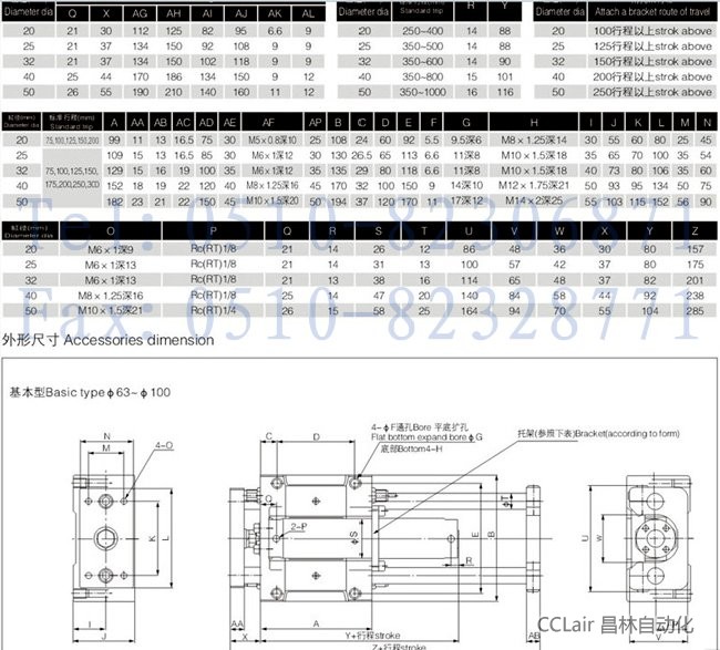
MGGLF100-100,MGGLF100-125,MGGLF100-150,MGGLF100-200,MGGLF100-350,带导杆气缸
点击图片查看原图
型号:
MGGLF100-100,MGGLF100-125,MGGLF100-150,MGGLF100-200,MGGLF100-350,
PDF下载:
如需产品详细说明请与销售客服联系
浏览次数:
403
公司基本资料信息
联系人
销售员 1011(女士)
电话
13861877712
地区
江苏-无锡市
地址
无锡市会北路28-135
详细说明
MGGLF100-100,MGGLF100-125,MGGLF100-150,MGGLF100-200,MGGLF100-350,带导杆气缸,生产厂家,价格
更多
>
本企业其它产品
AC0806-1,AC0806-2,AC
YWZ2-100/22,YWZ2-150
3F210-08,3FM210-08,3
HR15,HR30,HR60,HR80,
3A310-8,3A310-10,3A3
CQSB20-5,CQSB20-10,C
CQSB16-5,CQSB16-10,C
CQSB12-5,CQSB12-10,C
0
条
相关评论