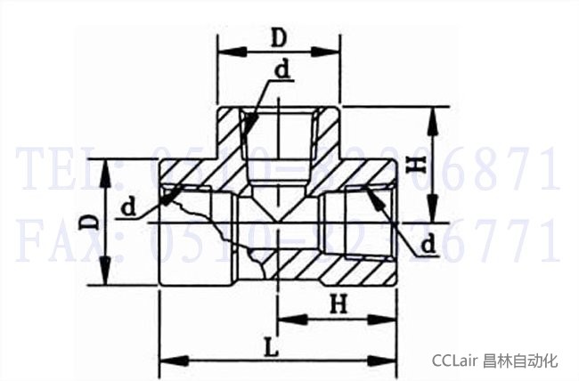
● 三通 |
![]() |
代号(订货号)
|
公称通径(DN)
|
D(Rc)
|
D
|
L
|
H
|
重量(kg)
|
对应号
|
ZT6.5.2-1
|
8
|
1/4
|
23
|
46
|
23
|
0.18
|
H1.1-1
|
ZT6.5.2-2
|
10
|
3/8
|
25
|
50
|
25
|
0.25
|
H1.1-2
|
ZT6.5.2-3
|
15
|
1/2
|
33
|
58
|
29
|
0.36
|
H1.1-3
|
ZT6.5.2-4
|
20
|
3/4
|
38
|
66
|
33
|
0.47
|
H1.1-4
|
ZT6.5.2-5
|
25
|
1
|
48
|
78
|
39
|
0.61
|
H1.1-5
|
标记示例:三通8 ZT6.5.2-1
● 异径三通

代号(订货号)
|
公称通径
(DN×DN1×DN1) |
d
|
d1
|
d2
|
D
|
L
|
H
|
重量 (kg) |
对应号
|
{Rc}
|
|||||||||
ZT6.5.3-1
|
10×15×15
|
3/8
|
1/2
|
33
|
58
|
29
|
0.32
|
H1.2-1
|
|
ZT6.5.3-2
|
10×20×20
|
3/8
|
3/4
|
38
|
66
|
33
|
0.45
|
H1.2-2
|
|
ZT6.5.3-3
|
10×10×15
|
3/8
|
1/2
|
33
|
58
|
29
|
0.32
|
||
ZT6.5.3-4
|
15×10×10
|
1/2
|
3/8
|
||||||
ZT6.5.3-5
|
10×10×20
|
3/8
|
3/4
|
38
|
66
|
33
|
0.48
|
||
ZT6.5.3-6
|
20×10×10
|
3/4
|
3/8
|
||||||
ZT6.5.3-7
|
15×20×20
|
1/2
|
3/4
|
0.42
|
|||||
ZT6.5.3-8
|
15×15×20
|
1/2
|
3/4
|
||||||
ZT6.5.3-9
|
20×15×15
|
3/4
|
1/2
|
0.40
|
标记示例:异径三径 10×15×15 ZT6.5.3-1
● 弯头 |
![]() |
代号(订货号)
|
公称通径(DN)
|
D(Rc)
|
D
|
H
|
重量(kg)
|
对应号
|
ZT6.5.4-1
|
8
|
1/4
|
23
|
0.07
|
H1.3-1
|
|
ZT6.5.4-2
|
10
|
3/8
|
25
|
0.11
|
H1.3-2
|
|
ZT6.5.4-3
|
15
|
1/2
|
33
|
29
|
0.26
|
H1.3-3
|
ZT6.5.4-4
|
20
|
3/4
|
38
|
33
|
0.39
|
H1.3-4
|
ZT6.5.4-5
|
25
|
1
|
48
|
39
|
0.56
|
H1.3-5
|
标记示例:弯头8 ZT6.5.4-1
● 外接头

代号(订货号)
|
公称通径(DN)
|
d(Rc)
|
L
|
L1
|
S
|
D
|
重量(kg)
|
对应号
|
ZT6.5.5-1
|
8
|
1/4
|
25
|
11
|
22
|
25.4
|
0.06
|
H1.4-1
|
ZT6.5.5-2
|
10
|
3/8
|
30
|
12
|
27
|
31.2
|
0.1
|
H1.4-2
|
ZT6.5.5-3
|
15
|
1/2
|
35
|
15
|
32
|
37
|
0.16
|
H1.4-3
|
ZT6.5.5-4
|
20
|
3/4
|
40
|
17
|
36
|
41.6
|
0.19
|
H1.4-4
|
ZT6.5.5-5
|
25
|
1
|
48
|
20
|
46
|
53.1
|
0.27
|
H1.4-5
|
代号(订货号)
|
公称通径(DN)
|
d(Rc)
|
L
|
L1
|
S
|
D
|
重量(kg)
|
对应号
|
ZT6.5.5-1
|
8
|
1/4
|
25
|
11
|
22
|
25.4
|
0.06
|
H1.4-1
|
ZT6.5.5-2
|
10
|
3/8
|
30
|
12
|
27
|
31.2
|
0.1
|
H1.4-2
|
ZT6.5.5-3
|
15
|
1/2
|
35
|
15
|
32
|
37
|
0.16
|
H1.4-3
|
ZT6.5.5-4
|
20
|
3/4
|
40
|
17
|
36
|
41.6
|
0.19
|
H1.4-4
|
ZT6.5.5-5
|
25
|
1
|
48
|
20
|
46
|
53.1
|
0.27
|
H1.4-5
|
标记示例:外接头8 ZT6.5.5-1