手机版
二维码
欢迎访问昌林自动化官方网站!
了解产品
品牌站
搜索
首页
了解产品
资讯动态
品牌站
下载中心
首页
>
了解产品
>
气动器材 气动阀
>
流体控制阀
>
角座阀
BZJF-25B,BZJF-25B1,BZJF-25T,BZJF-32B,BZJF-32B1,BZJF-32T,角座阀
点击图片查看原图
型号:
BZJF-25B,BZJF-25B1,BZJF-25T,BZJF-32B,BZJF-32B1,BZJF-32T,
PDF下载:
如需产品详细说明请与销售客服联系
浏览次数:
837
公司基本资料信息
联系人
销售员 1022(先生)
电话
13812199898
地区
江苏-无锡市
地址
无锡市会北路28-135
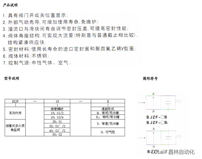
详细说明
BZJF-25B,BZJF-25B1,BZJF-25T,BZJF-32B,BZJF-32B1,BZJF-32T,角座阀,生产厂家,价格
更多
>
本企业其它产品
DL-1/8-MINI,DL-1/4-M
FR/L-02,FRL-02,空气
DC-1/8-MINI,DC-1/4-M
DC-3/8-5M-MIDI,DC-1/
DR-1/8-MINI,DR-1/4-M
DF-1/8-MINI,DF-1/4-M
DF-3/8-5M-MIDI,DF-1/
DFR-3/8-5M-MIDI,DFR-
0
条
相关评论