手机版
二维码
欢迎访问昌林自动化官方网站!
了解产品
品牌站
搜索
首页
了解产品
资讯动态
品牌站
下载中心
首页
>
了解产品
>
仪器仪表 自动化
>
智能与温度仪表
>
控制调节仪
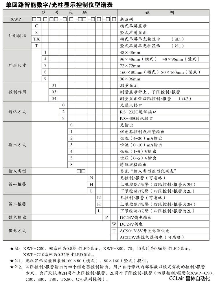
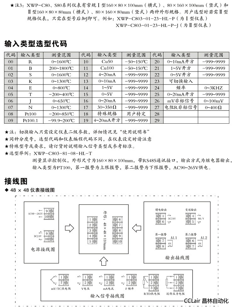
XWP-S40 ,数显控制仪
点击图片查看原图
型号:
XWP-S40
PDF下载:
如需产品详细说明请与销售客服联系
浏览次数:
669
公司基本资料信息
联系人
销售员(女士)
电话
13861877712
地区
江苏-无锡市
地址
无锡市会北路28-135
详细说明
XWP-S40 ,数显控制仪
更多
>
本企业其它产品
23QDF10B/315E220,23Q
HLP503, HLP506, HL
23QDF10B-2/315E110,2
MS-33FF,MS-44MM,MS-4
MS-22MM,MS-22MF,MS-2
22CH-D16B 22CH-D20B
XWP-T80,数量显控制
Q24DB-10, Q24DB2-10
0
条
相关评论