手机版
二维码
欢迎访问昌林自动化官方网站!
了解产品
品牌站
搜索
首页
了解产品
资讯动态
品牌站
下载中心
首页
>
了解产品
>
阀门 流体控制
>
水力控制阀
>
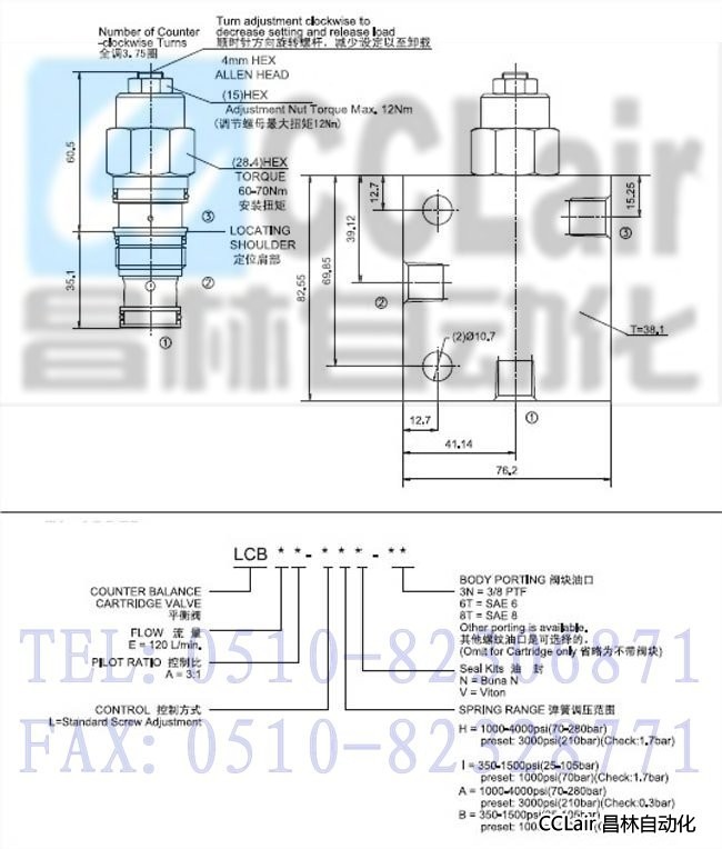
平衡阀
LCBEA-LAV-3N, LCBEA-LAV-6T, LCBEA-LAV-8T, 平衡阀,
点击图片查看原图
型号:
LCBEA-LAV-3N, LCBEA-LAV-6T, LCBEA-LAV-8T,
PDF下载:
如需产品详细说明请与销售客服联系
浏览次数:
413
公司基本资料信息
联系人
销售员 1040(女士)
电话
13812199898
地区
江苏-无锡市
地址
无锡市会北路28-135
详细说明
更多
>
本企业其它产品
LPSRV2-10-60-B-3N,LP
LPSRV2-10-40-B-3N,LP
LPSRV2-10-20-B-3N,LP
LPSRV2-10-8-B-3N,LPS
LPPR2-10-4-K-3N,LPPR
LPPR2-10-30-K-3N,LPP
LPPR2-10-15-K-3N,LPP
LDPR-10,直动式减压
0
条
相关评论